설치하기
설치에 필요한 전체 과정과 연결 예시를 제공합니다.
브래킷 및 제품 고정
-
제공된 드릴링 템플릿을 이용하여 제품을 장착할 위치를 정하세요.
알아두기- 장치를 설치할 최적의 높이는 136 cm입니다.
-
장치를 직사 광선이나 자외선에 직접 노출된 장소에 설치하지 마세요.
-
사용자가 얼굴을 인증할 때 얼굴에 직사광선이 닿지 않도록 설치 위치를 조정하세요.
-
제품을 장착할 위치에 고정용 나사를 이용하여 브래킷을 단단히 고정하세요.
알아두기-
제품을 콘크리트 벽에 설치할 경우 드릴로 구멍을 뚫어 PVC 앵커를 끼운 뒤 고정용 나사로 고정하세요.
-
RF 신호 간섭을 피하기 위해 최소 이격 거리를 확인하여 설치하세요.

벽 두께 거리 100 mm 200 mm 120 mm 180 mm 150 mm 150 mm 
- 모바일 출입카드를 사용할 경우 BLE 신호 간섭을 피하기 위해 장치 사이에 최소 1 m 이상의 거리를 두고 설치하세요.
-
-
케이블 커버를 장착한 뒤 커버에 끼워져 있는 6개의 나사를 돌려 단단히 고정하세요.
알아두기IP65 등급을 만족하기 위해 제품과 케이블을 연결한 뒤 반드시 케이블 커버를 사용해야 합니다.
-
고정된 브래킷 위에 제품을 장착하세요.
-
제품 고정용 나사를 돌려 제품과 브래킷을 조립하세요.
알아두기브래킷과 제품을 조립할 때 향상된 보안을 위해 제품 고정용 나사 대신 동봉된 브래킷 고정용 나사(별 모양)를 이용할 수 있습니다.
전원 연결

- 전원 장치(또는 어댑터)와 PoE 전원 장치를 함께 연결하지 마세요.
-
전원 어댑터는 IEC/EN 62368-1 승인을 받은 제품으로 단말기의 소모 전력 이상의 제품을 사용하세요. 전원 어댑터에 다른 기기를 연결하여 사용하려면 단말기의 소모 전력과 다른 기기에 필요한 소모 전력을 합한 전류 용량 이상의 어댑터를 사용해야 합니다.
- 최대 소모전류 규격은 제품 사양의 전원을 참고하세요.
- Secure I/O 2, 전기정(전기식 잠금장치), 제품은 반드시 개별 전원을 사용하세요. 전원을 함께 연결하여 사용하면 장치가 오작동할 수 있습니다.
-
전원 연결 시 제품과 전원 장치 간의 거리에 주의하세요. 제품과 전원 장치는 최대한 가깝게 설치해야 합니다. 올바르게 연결하지 않을 경우 제품이 오작동할 수 있으므로 주의하세요. 제품과 전원 장치의 거리가 먼 경우 16 AWG 또는 18 AWG 케이블을 사용할 것을 권장합니다. 사용하는 케이블의 규격과 설치 환경에 따라 연결할 수 있는 거리가 다를 수 있습니다. 이 제품은 DC 24V와 DC 12V 전원을 모두 지원하므로, 각 케이블 규격에 따른 최대 연장 길이를 확인하여 전원을 올바르게 연결하세요.
케이블 규격 최대 연장 길이 DC 12V DC 24V 16 AWG 50 m 150 m 18 AWG 30 m 136 m 20 AWG 20 m 90 m
- 전원 어댑터를 사용할 경우 전원 케이블의 길이를 임의로 연장하지 마세요.
- CAT5 UTP 2-Wire 케이블을 전원 공급 용도로 사용하지 마세요.
네트워크 연결
TCP/IP
LAN 연결 (허브와 연결)
일반 타입의 CAT-5 케이블을 사용하여 허브와 연결할 수 있습니다.

LAN 연결 (PC와 직접 연결)
이 제품은 자동 MDI/MDIX 기능을 가지고 있으므로 크로스 케이블이나 일반 스트레이트 타입의 CAT-5 케이블로 PC와 직접 연결할 수 있습니다.

기가 비트 이더넷 스위치를 사용할 때 아래 정보를 확인하세요.
-
CAT-5e 비차폐 꼬임선(UTP)을 사용하세요.
-
4 쌍(8 선)을 모두 네트워크 연결로 사용하세요.
-
네트워크 케이블의 일부 쌍이나 선을 다른 용도로 사용하지 마세요.
네트워크 포트 및 서비스
이 제품은 네트워크 통신 및 원활한 서비스 운영을 위해 아래와 같은 포트를 사용합니다.
| 프로토콜 | 서비스 |
|---|---|
| TCP | 서버와 장치 간의 통신 서비스 및 장치 운영 상태 전환 서비스를 위해 사용됩니다. |
| UDP | 네트워크 상에서 장치를 검색하기 위한 장치 검색 서비스에 사용됩니다. |
상기 포트는 제품의 정상적인 네트워크 기능 제공을 위해 사용되며, 방화벽 또는 네트워크 보안 설정 시 해당 포트의 사용이 허용되어야 합니다.
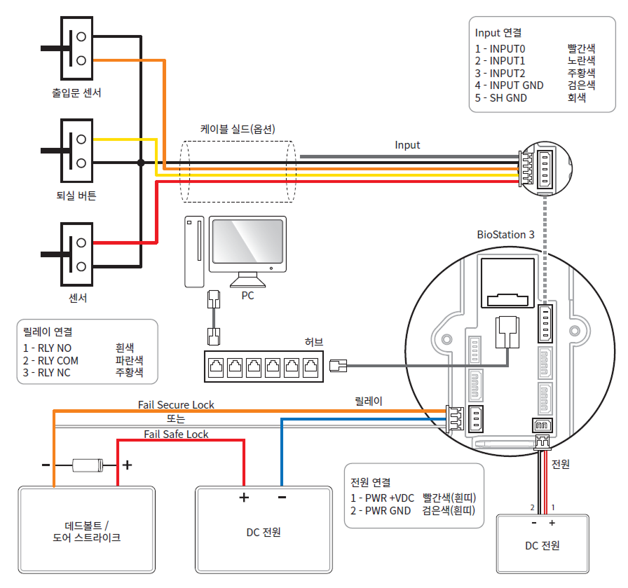
Input 연결

릴레이 연결
Fail Safe Lock
Fail Safe Lock을 사용하려면 아래 그림과 같이 N/C 릴레이를 연결하세요. Fail Safe Lock은 평상 시 릴레이 회로에 전류가 흐르며, 릴레이가 동작하여 전류를 일시적으로 차단하면 출입문이 열립니다. 정전이 되거나 외부 요인으로 장치의 전원이 끊길 경우 출입문이 열립니다.

-
출입문 잠금 장치가 작동할 때 발생하는 역전류로부터 릴레이를 보호하기 위해 그림과 같이 출입문 잠금 장치 배선 양쪽에 다이오드를 설치하세요.
-
제품과 출입문 잠금 장치는 별도의 전원을 사용하세요.
-
슈프리마의 지능형 장치에는 편의를 제공하기 위해 별도의 컨트롤러 없이 독립형으로 연결하여 출입문을 직접 열거나 잠글 수 있도록 하는 릴레이가 내장되어 있습니다. 그러나 향상된 보안이 요구되는 출입통제 애플리케이션의 경우 잠재적으로 출입문 잠금 해제를 유발할 수 있는 변조 공격을 방지하기 위해 장치에 내장된 릴레이를 사용하지 않는 것이 좋습니다. 이러한 애플리케이션의 경우 잠금 제어를 위해 출입문 내부의 안전한 위치에 설치된 슈프리마의 Secure I/O 2, DM-20, CoreStation과 같은 별도의 릴레이 장치를 사용할 것을 권장합니다.
다이오드의 설치 방향에 주의하세요. 다이오드는 출입문 잠금 장치와 가깝게 설치하세요.
Fail Secure Lock
Fail Secure Lock을 사용하려면 아래 그림과 같이 N/O 릴레이를 연결하세요. Fail Secure Lock은 평상 시 릴레이 회로에 전류가 흐르지 않으며, 릴레이가 동작하여 전류가 흐르면 출입문이 열립니다. 정전이 되거나 외부 요인으로 장치의 전원이 끊길 경우 출입문이 잠깁니다.

-
출입문 잠금 장치가 작동할 때 발생하는 역전류로부터 릴레이를 보호하기 위해 그림과 같이 출입문 잠금 장치 배선 양쪽에 다이오드를 설치하세요.
-
제품과 출입문 잠금 장치는 별도의 전원을 사용하세요.
-
슈프리마의 지능형 장치에는 편의를 제공하기 위해 별도의 컨트롤러 없이 독립형으로 연결하여 출입문을 직접 열거나 잠글 수 있도록 하는 릴레이가 내장되어 있습니다. 그러나 향상된 보안이 요구되는 출입통제 애플리케이션의 경우 잠재적으로 출입문 잠금 해제를 유발할 수 있는 변조 공격을 방지하기 위해 장치에 내장된 릴레이를 사용하지 않는 것이 좋습니다. 이러한 애플리케이션의 경우 잠금 제어를 위해 출입문 내부의 안전한 위치에 설치된 슈프리마의 Secure I/O 2, DM-20, CoreStation과 같은 별도의 릴레이 장치를 사용할 것을 권장합니다.
다이오드의 설치 방향에 주의하세요. 다이오드는 출입문 잠금 장치와 가깝게 설치하세요.
자동문 연결

독립형 연결
별도의 I/O 장치를 연결하지 않고 제품을 직접 출입문 잠금 장치, 퇴실 버튼, 출입문 센서 등에 연결할 수 있습니다.

슈프리마의 지능형 장치에는 편의를 제공하기 위해 별도의 컨트롤러 없이 독립형으로 연결하여 출입문을 직접 열거나 잠글 수 있도록 하는 릴레이가 내장되어 있습니다. 그러나 향상된 보안이 요구되는 출입통제 애플리케이션의 경우 잠재적으로 출입문 잠금 해제를 유발할 수 있는 변조 공격을 방지하기 위해 장치에 내장된 릴레이를 사용하지 않는 것이 좋습니다. 이러한 애플리케이션의 경우 잠금 제어를 위해 출입문 내부의 안전한 위치에 설치된 슈프리마의 Secure I/O 2, DM-20, CoreStation과 같은 별도의 릴레이 장치를 사용할 것을 권장합니다.
- RS-485 케이블로 슬레이브 장치를 연결하여 제품을 다중 출입문 제어 장치로 사용할 수 있습니다. 슬레이브 장치는 더미 리더로 사용되며 인증은 마스터 장치에서 수행합니다.
-
지문 인식 장치가 BioStation 3의 슬레이브 장치로 구성된 경우 다른 BioStation 3를 슬레이브 장치로 추가할 수 없습니다.
-
지문 인식 장치가 마스터 장치일 때 BioStation 3를 슬레이브 장치로 추가할 수 없습니다.
-
BioStation 3가 마스터 장치이고 BioStation 3를 슬레이브 장치로 연결할 때 1대의 BioStation 3만 슬레이브 장치로 추가할 수 있습니다.
-
BioStation 3가 마스터 장치이고 BioStation 3를 슬레이브 장치로 연결할 때 Secure I/O 2와 DM-20을 각각 1대씩 추가로 연결할 수 있습니다.
-
BioStation 3가 마스터 장치이고 BioStation 3를 슬레이브 장치로 연결할 때 OM-120을 추가로 연결할 수 없습니다.
- FaceStation F2가 마스터 장치일 때 BioStation 3를 슬레이브 장치로 사용할 수 없으며, 반대의 경우로도 사용할 수 없습니다.
-
연결할 수 있는 최대 슬레이브 장치 수는 인증 방법, 사용자 수, 장치 수에 따라 달라지며 슬레이브 장치 수는 인증 속도에 영향을 줍니다.
-
하나의 마스터 장치당 최대 31대의 슬레이브 장치를 연결할 수 있습니다. RS-485 대역폭으로 인해 최대 7대의 지문 인식 장치를 연결할 수 있습니다.
- 더 자세한 내용은 슈프리마 기술 지원팀(CS@suprema.co.kr)에 문의하세요.
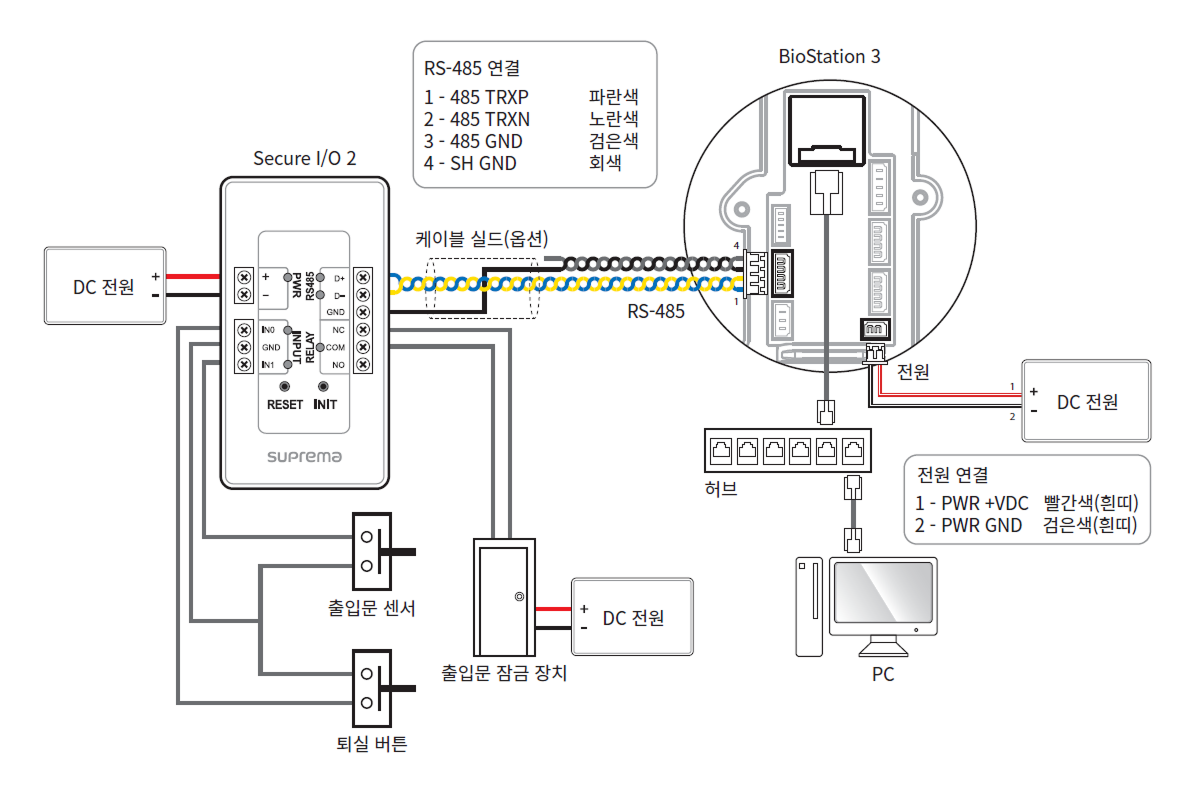
Secure I/O 2 연결
제품에 I/O 장치인 Secure I/O 2를 RS-485로 연결할 수 있습니다. 제품과 Secure I/O 2의 연결이 끊기거나 외부 요인에 의해 제품의 전원이 차단되더라도 보안을 유지할 수 있습니다.
-
RS-485 케이블은 AWG24, 꼬임선(Twisted Pair), 최대 길이 1.2 km를 사용하세요.
-
RS-485 케이블은 특성 임피던스가 120 Ω인 케이블을 사용하는 것을 권장합니다.
-
RS-485 데이지 체인으로 연결할 경우 종단 저항(120Ω)을 데이지 체인 연결의 양 끝에 연결하세요. 중간 선로에 연결할 경우 신호 레벨이 작아져 통신 성능이 떨어지므로 반드시 데이지 체인 연결의 양 끝에 연결하세요.

- RS-485 케이블로 슬레이브 장치를 연결하여 제품을 다중 출입문 제어 장치로 사용할 수 있습니다. 슬레이브 장치는 더미 리더로 사용되며 인증은 마스터 장치에서 수행합니다.
-
지문 인식 장치가 BioStation 3의 슬레이브 장치로 구성된 경우 다른 BioStation 3를 슬레이브 장치로 추가할 수 없습니다.
-
지문 인식 장치가 마스터 장치일 때 BioStation 3를 슬레이브 장치로 추가할 수 없습니다.
-
BioStation 3가 마스터 장치이고 BioStation 3를 슬레이브 장치로 연결할 때 1대의 BioStation 3만 슬레이브 장치로 추가할 수 있습니다.
-
BioStation 3가 마스터 장치이고 BioStation 3를 슬레이브 장치로 연결할 때 Secure I/O 2와 DM-20을 각각 1대씩 추가로 연결할 수 있습니다.
-
BioStation 3가 마스터 장치이고 BioStation 3를 슬레이브 장치로 연결할 때 OM-120을 추가로 연결할 수 없습니다.
- FaceStation F2가 마스터 장치일 때 BioStation 3를 슬레이브 장치로 사용할 수 없으며, 반대의 경우로도 사용할 수 없습니다.
-
연결할 수 있는 최대 슬레이브 장치 수는 인증 방법, 사용자 수, 장치 수에 따라 달라지며 슬레이브 장치 수는 인증 속도에 영향을 줍니다.
-
하나의 마스터 장치당 최대 31대의 슬레이브 장치를 연결할 수 있습니다. RS-485 대역폭으로 인해 최대 7대의 지문 인식 장치를 연결할 수 있습니다.
- 더 자세한 내용은 슈프리마 기술 지원팀(CS@suprema.co.kr)에 문의하세요.
Wiegand 연결
Wiegand 입력 장치로 사용

Wiegand 출력 장치로 사용
