설치하기
설치에 필요한 전체 과정과 연결 예시를 제공합니다.
제품 고정
-
제품을 장착할 위치에 스페이서를 고정용 나사로 고정하세요.
-
고정된 스페이서 위에 고정용 나사로 제품을 단단히 고정하세요.
전원 연결

- 출입 통제 장치와 제품에 연결하는 전원은 반드시 분리하여 사용하세요.
-
전원 어댑터는 IEC/EN 62368-1 승인을 받은 제품으로 단말기의 소모 전력 이상의 제품을 사용하세요. 전원 어댑터에 다른 기기를 연결하여 사용하려면 단말기의 소모 전력과 다른 기기에 필요한 소모 전력을 합한 전류 용량 이상의 어댑터를 사용해야 합니다.
- 최대 소모전류 규격은 제품 사양의 전원을 참고하세요.
- 전원 어댑터를 사용할 경우 전원 케이블의 길이를 임의로 연장하지 마세요.
전원 장애를 막기 위해 무정전 전원 장치(UPS)를 연결하여 사용할 것을 권장합니다.
RS-485 연결
제품을 마스터 장치에 연결할 수 있습니다.

-
RS-485 케이블은 AWG26 이상을 사용해야 하며, 모든 배선은 ANSI/NFPA 70 표준을 준수해야 합니다.
-
RS-485 케이블은 AWG24, 꼬임선(Twisted Pair), 최대 길이 1.2 km를 사용하세요.
-
RS-485 케이블은 특성 임피던스가 120 Ω인 케이블을 사용하는 것을 권장합니다.
-
RS-485 데이지 체인 연결의 양 끝에 종단 저항(120 Ω)을 연결하세요. 중간 선로에 연결할 경우 신호 레벨이 작아져 통신 성능이 떨어지므로 반드시 데이지 체인 연결의 양 끝에 연결하세요. 이 제품의 종단 저항 스위치를 ON으로 설정하세요.
릴레이 연결
이 제품의 릴레이로 출입문 잠금 장치 또는 경보 장치를 제어할 수 있습니다. 연결할 장치의 가이드를 참고하여 릴레이를 NC 또는 NO로 연결하세요.

Fail Safe Lock
Fail Safe Lock을 사용하려면 아래 그림과 같이 NC 릴레이를 연결하세요. Fail Safe Lock은 평상 시 릴레이 회로에 전류가 흐르며, 릴레이가 동작하여 전류를 일시적으로 차단하면 출입문이 열립니다. 정전이 되거나 외부 요인으로 장치의 전원이 끊길 경우 출입문이 열립니다.
데드볼트(Deadbolt)나 도어 스트라이크(Door Strike) 설치 시 다이오드를 아래 그림과 같이 전원 입력 양단에 연결하세요. 다이오드 방향에 주의하여 반드시 Cathode(줄무늬 방향)를 전원의 + 부분에 연결하세요.
마스터 장치의 릴레이 포트와 연결된 장치에는 이 제품의 릴레이를 중복으로 연결하지 마세요.

Fail Secure Lock
Fail Secure Lock을 사용하려면 아래 그림과 같이 NO 릴레이를 연결하세요. Fail Secure Lock은 평상 시 릴레이 회로에 전류가 흐르지 않으며, 릴레이가 동작하여 전류가 흐르면 출입문이 열립니다. 정전이 되거나 외부 요인으로 장치의 전원이 끊길 경우 출입문이 잠깁니다.
데드볼트(Deadbolt)나 도어 스트라이크(Door Strike) 설치 시 다이오드를 아래 그림과 같이 전원 입력 양단에 연결하세요. 다이오드 방향에 주의하여 반드시 Cathode(줄무늬 방향)를 전원의 + 부분에 연결하세요.
마스터 장치의 릴레이 포트와 연결된 장치에는 이 제품의 릴레이를 중복으로 연결하지 마세요.

Supervised Input 연결
화재 감지 센서, 열 감지 센서, 방범 센서, 출입문 센서, 퇴실 버튼 등을 연결할 수 있습니다. SUPERVISED INPUT 0~11 단자는 회로에 흐르는 전압을 감지하여 장치의 단선, 단락, 켜짐, 꺼짐 상태를 모니터링할 수 있으며, 일반적인 Input으로 사용할 수도 있습니다.
BioStar X에서 제품의 상태별 동작을 설정하고, 입력 상태를 모니터링할 수 있습니다.

-
마스터 장치의 입력 포트와 연결된 장치에는 제품의 입력을 중복으로 연결하지 마세요.
-
이 제품은 1㏀, 2.2㏀, 4.7㏀, 10㏀ 저항을 연결하여 사용할 수 있습니다. 연결할 입력 장치에 알맞는 저항을 연결한 뒤 BioStar X에서 저항 값을 동일하게 설정하세요.
탬퍼 연결
외부 요인에 의해 제품이 설치된 곳에서 분리될 경우 경보를 울리거나 이벤트 로그를 남길 수 있습니다.

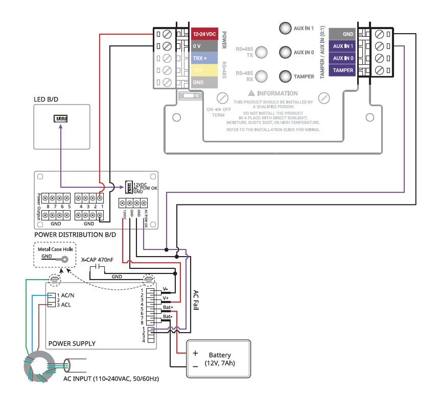
함체 설치
물리적·전기적 보호를 위해 제품을 함체(ENCR-10) 내부에 설치할 수 있습니다. 함체에는 전원 상태 LED 보드, 전원 분배 보드, 전원 공급 장치, 탬퍼가 포함되어 있습니다. 함체는 별매품입니다.
백업 배터리 고정
배터리 벨크로 스트랩을 함체에 끼운 뒤 배터리를 고정하세요.

백업 배터리는 12 VDC 사양과 7 Ah 이상의 제품을 사용하세요. 이 제품은 'ROCKET'사의 'ES7-12' 제품으로 테스트 되었으며, 'ES7-12'에 준하는 제품을 사용할 것을 권장합니다.
-
백업 배터리는 별매품입니다.
-
백업 배터리의 크기 및 단자의 모양과 크기를 반드시 확인하세요. 백업 배터리의 크기가 권장 사양보다 클 경우 함체에 장착할 수 없거나 장착한 뒤 함체가 닫히지 않을 수 있습니다. 또한 단자의 모양 및 크기가 다를 경우 제공된 케이블을 사용해 배터리를 연결할 수 없습니다.
제품 고정
-
함체에서 제품을 장착할 위치를 확인하세요. 1개의 함체에 2개의 제품을 설치할 수 있습니다.

-
장착할 위치에 맞추어 제품을 함체에 올린 뒤 고정용 나사로 고정하세요.

- ENCR-10은 벽에 고정하여 사용할 수 있도록 설계되었습니다. 설치 높이에 제한 없이 안전하고 사용하기에 편리한 위치에 설치하세요.
-
ENCR-10 구성품에는 함체 고정용 나사, 제품 고정용 나사, 전원 장치 연결용 나사가 포함되어 있습니다. 각 나사의 용도에 맞추어 올바르게 사용하세요.
-
함체 고정용 나사(직경: 4 mm, 길이: 25 mm) x4
-
제품 고정용 나사(직경: 3 mm, 길이: 5 mm) x6
-
전원 장치 케이블 고정용 나사(직경: 3 mm, 길이: 8 mm) x1
-
전원 및 AUX 입력 연결
전원 장애를 막기 위해 무정전 전원 장치(UPS)를 연결하여 사용할 수 있으며, 전원 장애 감지기나 다른 장치의 접점 출력을 AUX IN 단자에 연결할 수 있습니다.

-
출입 통제 장치와 제품에 연결하는 전원은 반드시 분리하여 사용하세요.
-
전원 어댑터는 IEC/EN 62368-1 승인을 받은 제품으로 단말기의 소모 전력 이상의 제품을 사용하세요. 전원 어댑터에 다른 기기를 연결하여 사용하려면 단말기의 소모 전력과 다른 기기에 필요한 소모 전력을 합한 전류 용량 이상의 어댑터를 사용해야 합니다.
- 최대 소모전류 규격은 제품 사양의 전원을 참고하세요.
-
전원 어댑터를 사용할 경우 전원 케이블의 길이를 임의로 연장하지 마세요.
-
백업 배터리는 12 VDC 사양과 7 Ah 이상의 제품을 사용하세요. 이 제품은 'ROCKET'사의 'ES7-12' 제품으로 테스트 되었으며, 'ES7-12'에 준하는 제품을 사용할 것을 권장합니다.
탬퍼 연결
외부 요인에 의해 함체가 열릴 경우 경보를 울리거나 이벤트 로그를 남길 수 있습니다.

제품 설치에 대한 더 자세한 내용은 슈프리마 기술 지원팀(CS@suprema.co.kr)에 문의하세요.