Installation
Provides the complete installation procedures and connection examples required for the device.
Product Fixation
-
Secure the spacer with fixing screws at the location where the product will be mounted.
-
Tighten the product onto the secured spacer using fixing screws.
Power Supply Connection

- Make sure to use separate power for the access control device and products.
-
Use the IEC/EN 62368-1 approved power adapter that supports higher power consumption than the product. If you wish to connect and use another device to the power supply adapter, you should use an adapter with a current capacity which is the same or larger than the total power consumption required for the terminal and another device.
- Refer to the Power in the product specifications for maximum current consumption specifications.
- DO NOT extend the length of power cable when using the power adapter.
It is recommended to connect and use an Uninterruptible Power Supply (UPS) to prevent power failure.
RS-485 Connection

-
Use an AWG24 twisted pair with a maximum length of 1.2 km for the RS-485 cable.
-
It is recommended to use RS-485 cables with a characteristic impedance of 120 Ω.
-
Connect termination resistors (120 Ω) at both ends of the RS-485 daisy chain connection. If connected to the middle line, the signal level becomes smaller and the communication performance will deteriorate. Make sure to connect it to both ends of the daisy chain connection. Set this product's termination resistor switch to ON.
-
This product can connect up to 31 devices to a single master device.
Relay Connection

-
The method for connecting the relay may vary depending on the type of elevator. For more details, contact the elevator construction company.
-
Each relay output must be correctly connected to the control panel and floor buttons.
AUX IN
You can connect the contact output (dry contact output) of another device or tamper to the AUX port.

Enclosure installation
For physical and electrical protection, the product can be installed inside the enclosure (ENCR-10). The enclosure includes a power status LED board, power distribution board, power supply, and tamper. The enclosure is sold separately.
Backup battery fixing
Insert the battery Velcro strap into the case, then secure the battery.

Use a backup battery that is 12 VDC specification and 7 Ah or higher. This product has been tested with the 'ES7-12' product from 'ROCKET', and it is recommended to use products equivalent to 'ES7-12'.
-
The backup battery is sold separately.
-
Be sure to check the size and shape of the backup battery terminals. If the size of the backup battery exceeds the recommended specifications, it may not fit in the case or the case may not close after installation. Additionally, if the shape and size of the terminals are different, you will not be able to connect the battery using the provided cable.
Product Fixation
-
Check the location to mount the product in the enclosure. You can install 2 products in 1 enclosure.

-
Place the product in the enclosure according to the mounting location and secure it with screws.

- The ENCR-10 is designed to be mounted on a wall for use. Install it at a safe and convenient height without restrictions on installation height.
-
The ENCR-10 components include screws for housing fixation, screws for product fixation, and screws for power device connection. Use each screw correctly according to its purpose.
-
Fixing screws for the enclosure (diameter: 4 mm, length: 25 mm) x4
-
Fixing screws for the device (diameter: 3 mm, length: 5 mm) x6
-
Fixing screws for the power supply cable (diameter: 3 mm, length: 8 mm) x1
-
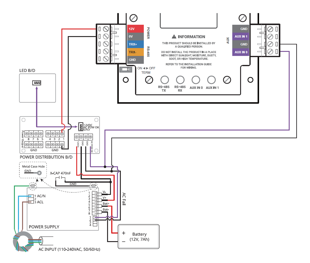
Power and AUX input connection
To prevent power interruptions, you can connect an uninterruptible power supply (UPS), and contact outputs from power outage detectors or other devices can be connected to the AUX IN terminal.

-
Make sure to use separate power for the access control device and products.
-
Use the IEC/EN 62368-1 approved power adapter that supports higher power consumption than the product. If you wish to connect and use another device to the power supply adapter, you should use an adapter with a current capacity which is the same or larger than the total power consumption required for the terminal and another device.
- Refer to the power section of the product specifications for maximum current consumption specifications.
-
DO NOT extend the length of power cable when using the power adapter.
-
Use a backup battery that is 12 VDC specification and 7 Ah or higher. This product has been tested with the 'ES7-12' product from 'ROCKET', and it is recommended to use products equivalent to 'ES7-12'.
Tamper Connection
If the enclosure is opened due to external factors, it can trigger an alarm or leave an event log.

For more detailed information on product installation, contact Suprema Technical Support Team (CS@suprema.co.kr).