Instalación
Ofrece los procedimientos completos de instalación y ejemplos de conexión necesarios para el dispositivo.
Fijar el soporte y el producto
-
Determine la posición correcta para instalar el soporte usando la plantilla de perforación proporcionada. Asegura firmemente el soporte con los tornillos de fijación en el lugar donde se montará el producto.
Información-
Si instalas el producto en una pared de concreto, perfora un agujero, inserta un anclaje de PVC y sujétalo con un tornillo de fijación.
-
Para evitar interferencias de RF, se debe mantener una distancia mínima de separación.

Espesor de pared Distancia 100 mm 500 mm 120 mm 400 mm 150 mm 300 mm 
- Al utilizar una credencial de acceso móvil, instala los dispositivos manteniendo una distancia mínima de 1 m entre ellos para evitar interferencias BLE.
-
-
Ensamble la cubierta del cable y luego instale el producto en el soporte asegurado.
InformaciónUse la cubierta del cable después de conectar el producto y los cables para cumplir con las clasificaciones IP65 de resistencia al agua y al polvo.
-
Gira los tornillos de fijación para ensamblar el producto con el soporte.
InformaciónAl ensamblar el producto con el soporte, puedes usar el tornillo de fijación del soporte incluido (en forma de estrella) en lugar del tornillo de fijación del producto para aumentar la seguridad.
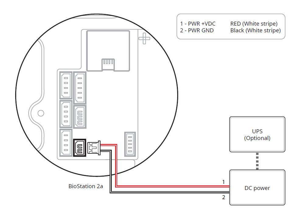
Conexión de la fuente de alimentación

- NO conecte el dispositivo a la fuente de alimentación de CC (o adaptador) y a la alimentación PoE al mismo tiempo.
-
Use un adaptador de alimentación aprobado por IEC/EN 62368-1 que admita un consumo de energía mayor que el del producto. Si desea conectar y usar otro dispositivo al adaptador de alimentación, utilice un adaptador con una capacidad de corriente igual o mayor que el consumo total requerido por el terminal y el otro dispositivo.
- Consulte la sección Alimentación en las especificaciones del producto para conocer el consumo máximo de corriente.
- Use una fuente de alimentación independiente para Secure I/O 2, la cerradura eléctrica y el producto, respectivamente. Si conecta y usa la misma fuente de alimentación para estos dispositivos, estos pueden funcionar incorrectamente.
- NO extienda la longitud del cable de alimentación al usar el adaptador de alimentación.
Conexión de red
TCP/IP
Conexión LAN (conexión a un concentrador)
Conecte el producto a un concentrador con un cable CAT-5 estándar.

Conexión LAN (conexión directa a una PC)
Este dispositivo cuenta con función automática MDI/MDIX, por lo que puede conectarse directamente a una PC utilizando un cable CAT-5 recto estándar o un cable cruzado.

Puertos y servicios de red
Este dispositivo usa los siguientes puertos para la comunicación en red y el funcionamiento estable del servicio.
| Protocolo | Descripción del servicio |
|---|---|
| TCP | Se utiliza para los servicios de comunicación entre el servidor y el dispositivo, así como para el servicio de cambio de estado operativo del dispositivo. |
| UDP | Se usa para el servicio de detección del dispositivo, que permite buscar dispositivos en la red. |
Estos puertos se utilizan para proporcionar las funciones normales de red del producto. Al configurar reglas de firewall o ajustes de seguridad de red, permite el uso de estos puertos.
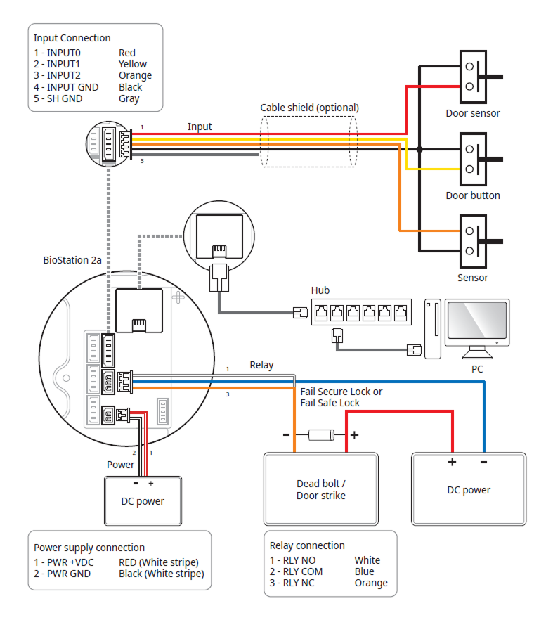
Conexión de entrada

Conexión del relé
Cerradura fail safe
Para utilizar la cerradura Fail Safe, conecte el relé N/C como se muestra en la figura a continuación. Normalmente circula corriente a través del relé de la cerradura Fail Safe. Cuando se activa el relé y se bloquea el flujo de corriente, la puerta se abrirá. Si se corta la alimentación del producto debido a un fallo de energía o a un factor externo, la puerta se abrirá.

-
Instale un diodo en ambos extremos del cable de la cerradura, como se muestra en la figura, para proteger el relé de la corriente inversa que se produce cuando la cerradura funciona.
-
Utilice una fuente de alimentación independiente para el producto y la cerradura.
-
Los lectores inteligentes independientes de Suprema contienen relés internos que pueden bloquear/desbloquear puertas directamente sin controladores externos para mayor comodidad. Sin embargo, para aplicaciones de control de acceso que requieren seguridad, NO se recomienda utilizar el relé interno de un lector a fin de evitar manipulaciones que puedan desbloquear la puerta. Para estas aplicaciones, se recomienda encarecidamente usar una unidad de relé independiente para el control de la cerradura, como Secure I/O 2, DM-20 o CoreStation de Suprema, instaladas en el lado seguro de la puerta.
Preste atención a la dirección de instalación del diodo. Instale el diodo cerca de la cerradura.
Cerradura fail secure
Conecte el relé N/O como se muestra en la figura para usar la cerradura fail secure. Normalmente no circula corriente a través del relé para la cerradura Fail Secure. Cuando el relé activa el flujo de corriente, la puerta se abrirá. Si el suministro eléctrico del producto se interrumpe debido a un corte de energía o a un factor externo, la puerta se bloqueará.

-
Instale un diodo en ambos extremos del cable de la cerradura, como se muestra en la figura, para proteger el relé de la corriente inversa que se produce cuando la cerradura funciona.
-
Utilice una fuente de alimentación independiente para el producto y la cerradura.
-
Los lectores inteligentes independientes de Suprema contienen relés internos que pueden bloquear/desbloquear puertas directamente sin controladores externos para mayor comodidad. Sin embargo, para aplicaciones de control de acceso que requieren seguridad, NO se recomienda utilizar el relé interno de un lector a fin de evitar manipulaciones que puedan desbloquear la puerta. Para estas aplicaciones, se recomienda encarecidamente usar una unidad de relé independiente para el control de la cerradura, como Secure I/O 2, DM-20 o CoreStation de Suprema, instaladas en el lado seguro de la puerta.
Preste atención a la dirección de instalación del diodo. Instale el diodo cerca de la cerradura.
Conexión de puerta automática

Conectar como independiente
El producto puede conectarse directamente a la cerradura, el botón y el sensor de puerta sin necesidad de conectar un dispositivo de E/S adicional.

Los lectores inteligentes independientes de Suprema contienen relés internos que pueden bloquear/desbloquear puertas directamente sin controladores externos para mayor comodidad. Sin embargo, para aplicaciones de control de acceso que requieren seguridad, NO se recomienda utilizar el relé interno de un lector a fin de evitar manipulaciones que puedan desbloquear la puerta. Para estas aplicaciones, se recomienda encarecidamente usar una unidad de relé independiente para el control de la cerradura, como Secure I/O 2, DM-20 o CoreStation de Suprema, instaladas en el lado seguro de la puerta.
- El dispositivo puede utilizarse como controlador de múltiples puertas con los dispositivos esclavos mediante el cable RS-485. Los dispositivos esclavos se utilizan como lectores ficticios y la autenticación se realiza en el dispositivo maestro.
- Si se conecta XPass o XPass 2 al dispositivo maestro, solo se puede usar la autenticación con tarjeta.
-
El número máximo de dispositivos esclavos que se pueden conectar varía según el método de autenticación, el número de usuarios y el número de dispositivos. Ten en cuenta también que la cantidad de dispositivos esclavos afecta el rendimiento de autenticación.
-
Conecte hasta 31 dispositivos esclavos a un dispositivo maestro. El ancho de banda de RS-485 permite conectar hasta 7 dispositivos de autenticación por huella.
- Para más información, comuníquese con el Equipo de soporte técnico de Suprema.
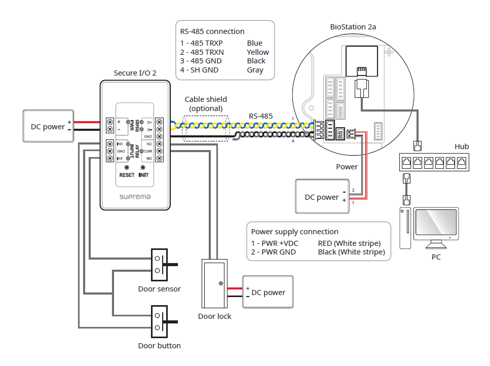
Conectar Secure I/O 2
Secure I/O 2 es un dispositivo de E/S que se puede conectar al producto con el cable RS-485. La seguridad puede mantenerse incluso si se pierde la conexión entre el producto y Secure I/O 2 o si el suministro de energía al producto se interrumpe debido a factores externos.
-
Utilice un par trenzado AWG24 con una longitud máxima de 1.2 km para el cable RS-485.
-
Se recomienda usar cables RS-485 con una impedancia característica de 120 Ω.
-
Si se conecta mediante una cadena en serie RS-485, conecte la resistencia de terminación (120 Ω) en ambos extremos de la conexión en cadena. Si se conecta en la línea media, el nivel de señal se reducirá y el rendimiento de comunicación se verá afectado. Asegúrese de conectarlas en ambos extremos de la conexión en cadena.

- El dispositivo puede utilizarse como controlador de múltiples puertas con los dispositivos esclavos mediante el cable RS-485. Los dispositivos esclavos se utilizan como lectores ficticios y la autenticación se realiza en el dispositivo maestro.
- Si se conecta XPass o XPass 2 al dispositivo maestro, solo se puede usar la autenticación con tarjeta.
-
El número máximo de dispositivos esclavos que se pueden conectar varía según el método de autenticación, el número de usuarios y el número de dispositivos. Ten en cuenta también que la cantidad de dispositivos esclavos afecta el rendimiento de autenticación.
-
Conecte hasta 31 dispositivos esclavos a un dispositivo maestro. El ancho de banda de RS-485 permite conectar hasta 7 dispositivos de autenticación por huella.
- Para más información, comuníquese con el Equipo de soporte técnico de Suprema.
Conexión Wiegand
Se usa como dispositivo de entrada Wiegand.

Se usa como dispositivo de salida Wiegand.
