Instalación
Ofrece los procedimientos completos de instalación y ejemplos de conexión necesarios para el dispositivo.
Fijación del producto
-
Asegura el espaciador con tornillos de fijación en el lugar donde se instalará el producto.
-
Aprieta el producto sobre el espaciador asegurado utilizando tornillos de fijación.

-
Retira la película de prevención de descarga adherida a la batería RTC.

-
La batería RTC (Real Time Clock) se utiliza para mantener la hora exacta incluso cuando el producto está apagado.
-
La batería RTC tiene una capacidad de 226 mAh y la vida útil estimada puede variar según el entorno de instalación y el modo de uso. Al reemplazar la batería RTC, utiliza una CR2032.
Conexión de la fuente de alimentación

- Asegúrese de usar alimentación independiente para el dispositivo de control de acceso y los productos.
-
Use un adaptador de alimentación aprobado por IEC/EN 62368-1 que admita un consumo de energía mayor que el del producto. Si desea conectar y usar otro dispositivo al adaptador de alimentación, utilice un adaptador con una capacidad de corriente igual o mayor que el consumo total requerido por el terminal y el otro dispositivo.
- Consulte la sección Alimentación en las especificaciones del producto para conocer el consumo máximo de corriente.
- NO extienda la longitud del cable de alimentación al usar el adaptador de alimentación.
Se recomienda conectar y usar una fuente de alimentación ininterrumpida (UPS) para evitar fallas de energía.
Conexión de red
TCP/IP
Conexión LAN (conexión a un concentrador)
Conecte el producto a un concentrador con un cable CAT-5 estándar.

Conexión LAN (conexión directa a una PC)
Este producto incluye funcionalidad automática MDI/MDIX y permite la conexión directa a una PC con un cable CAT-5e estándar.

Puertos y servicios de red
Este dispositivo usa los siguientes puertos para la comunicación en red y el funcionamiento estable del servicio.
| Protocolo | Descripción del servicio |
|---|---|
| TCP | Se utiliza para los servicios de comunicación entre el servidor y el dispositivo, así como para el servicio de cambio de estado operativo del dispositivo. |
| UDP | Se usa para el servicio de detección del dispositivo, que permite buscar dispositivos en la red. |
Estos puertos se utilizan para proporcionar las funciones normales de red del producto. Al configurar reglas de firewall o ajustes de seguridad de red, permite el uso de estos puertos.
Conexión RS-485
Este producto admite cinco puertos RS-485 y cada puerto RS-485 puede conectar hasta 31 dispositivos.

-
El número total de dispositivos RS-485 conectados al producto no debe exceder de 64.
-
Utilice cable AWG26 o superior para RS-485 y asegúrese de que todo el cableado cumpla con las normas ANSI/NFPA 70.
-
Utilice un par trenzado AWG24 con una longitud máxima de 1.2 km para el cable RS-485.
-
Se recomienda usar cables RS-485 con una impedancia característica de 120 Ω.
-
Conecte resistencias de terminación (120 Ω) en ambos extremos de la conexión en cadena RS-485. Si se conecta en la línea media, el nivel de señal se reducirá y el rendimiento de comunicación se verá afectado. Asegúrese de conectarlas en ambos extremos de la conexión en cadena. Configure el interruptor de la resistencia de terminación de este producto en ON.
Conexión del relé
Cerradura fail safe
Conecte el relé NC como se muestra en la figura siguiente para usar la cerradura Fail Safe. Normalmente circula corriente a través del relé de la cerradura Fail Safe. Cuando se activa el relé y se bloquea el flujo de corriente, la puerta se abrirá. Si se corta la alimentación del producto debido a un fallo de energía o a un factor externo, la puerta se abrirá.
Conecte un diodo a ambos extremos de la entrada de alimentación, como se muestra en la figura siguiente, al instalar un cerrojo o una cerradura eléctrica de golpe. Asegúrese de conectar el cátodo (lado de la franja) a la parte + de la alimentación, prestando atención a la orientación del diodo.

Cerradura fail secure
Conecte el relé NO como se muestra en la figura siguiente para usar la cerradura Fail Secure. Normalmente no circula corriente a través del relé para la cerradura Fail Secure. Cuando el relé activa el flujo de corriente, la puerta se abrirá. Si el suministro eléctrico del producto se interrumpe debido a un corte de energía o a un factor externo, la puerta se bloqueará.
Conecte un diodo a ambos extremos de la entrada de alimentación, como se muestra en la figura siguiente, al instalar un cerrojo o una cerradura eléctrica de golpe. Asegúrese de conectar el cátodo (lado de la franja) a la parte + de la alimentación, prestando atención a la orientación del diodo.

Conexión Wiegand

Sensor de puerta y botón de salida
Los terminales SUPERVISED INPUT 0 ~ 7 pueden configurarse para usarse como entradas generales o como entradas supervisadas.

AUX IN
Conecta un detector de fallos de energía o el tamper al puerto AUX IN.

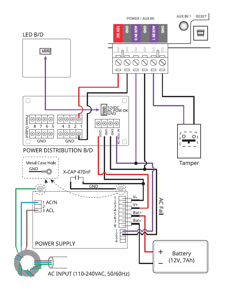
Instalación del gabinete
Para protección física y eléctrica, el producto puede instalarse dentro del gabinete (ENCR-10). El gabinete incluye una placa LED de estado de alimentación, una placa de distribución de energía, una fuente de alimentación y un tamper. El gabinete se vende por separado.
Fijación de la batería de respaldo
Inserte la correa de Velcro de la batería en la carcasa y sujete la batería.

Utiliza una batería de respaldo con especificaciones de 12 VCC y 7 Ah o superiores. Este producto se probó con el modelo "ES7-12" de "ROCKET", y se recomienda utilizar productos equivalentes al "ES7-12".
-
La batería de respaldo se vende por separado.
-
Asegúrese de revisar el tamaño y la forma de los terminales de la batería de respaldo. Si el tamaño de la batería de respaldo supera las especificaciones recomendadas, puede que no quepa en la carcasa o que esta no cierre después de la instalación. Además, si la forma y el tamaño de los terminales son diferentes, no podrá conectar la batería con el cable proporcionado.
Fijación del producto
-
Verifique la ubicación para montar el producto en el gabinete.

-
Coloque el producto en el gabinete según la ubicación de montaje y fíjelo con tornillos.

- El ENCR-10 está diseñado para montarse en la pared. Instálelo a una altura segura y conveniente; no hay restricciones respecto a la altura de instalación.
-
Los componentes del ENCR-10 incluyen tornillos para la fijación de la carcasa, tornillos para la fijación del producto y tornillos para la conexión del dispositivo de alimentación. Utilice cada tornillo correctamente según su propósito.
-
Tornillos de fijación para la carcasa (diámetro: 4 mm, longitud: 25 mm) x4
-
Tornillos de fijación para el dispositivo (diámetro: 3 mm, longitud: 5 mm) x6
-
Tornillos de fijación para el cable de alimentación (diámetro: 3 mm, longitud: 8 mm) x1
-
Entrada de alimentación y AUX, conexión de tamper
Para evitar interrupciones de energía, conecte una fuente de alimentación ininterrumpida (UPS); las salidas de contacto de detectores de cortes de energía u otros dispositivos pueden conectarse al terminal AUX IN.
Conecte también el tamper para activar una alarma o registrar un evento si el gabinete se abre por factores externos.

-
Asegúrese de usar alimentación independiente para el dispositivo de control de acceso y los productos.
-
Use un adaptador de alimentación aprobado por IEC/EN 62368-1 que admita un consumo de energía mayor que el del producto. Si desea conectar y usar otro dispositivo al adaptador de alimentación, utilice un adaptador con una capacidad de corriente igual o mayor que el consumo total requerido por el terminal y el otro dispositivo.
- Consulte la sección Alimentación en las especificaciones del producto para conocer el consumo máximo de corriente.
-
NO extienda la longitud del cable de alimentación al usar el adaptador de alimentación.
-
Utiliza una batería de respaldo con especificaciones de 12 VCC y 7 Ah o superiores. Este producto se probó con el modelo "ES7-12" de "ROCKET", y se recomienda utilizar productos equivalentes al "ES7-12".
Restablecimiento de fábrica
Restablece de fábrica el CoreStation en el Corestation Setup Manager.
-
Accede al Corestation Setup Manager y haz clic en CONFIGURE.
-
Haz clic en Factory Default.
-
Utilice Factory Default solo cuando el certificado raíz esté almacenado en el dispositivo.
-
Accede al Corestation Setup Manager para ver o gestionar la configuración de red de CoreStation y supervisar el estado de los dispositivos esclavos, los puertos de entrada y salida y los puertos Wiegand.
- CoreStation Setup Manager es compatible con la versión de firmware 1.3.1 o posterior. Conéctate a BioStar X para actualizar a la versión de firmware más reciente cuando uses una versión inferior a la 1.3.1.
-
Para obtener más información sobre el Administrador de configuración CoreStation, consulte esta sección.
-
Comprueba la versión más reciente de BioStar X cuando el dispositivo esté conectado a la red y pueda restablecerse.
-
Para más información, comuníquese con el Equipo de soporte técnico de Suprema.