Instalación
Proporciona todo el proceso requerido para la instalación y ejemplos de conexiones de dispositivos. Para obtener más detalles sobre el cableado de cada dispositivo, consulte la guía del producto correspondiente.
Para obtener información más detallada sobre la instalación del producto, comunícate con el equipo de soporte técnico de Suprema (CS@suprema.co.kr).
Instalación de CoreStation
Fijación de la batería de respaldo
Inserte la correa de Velcro de la batería en la carcasa y sujete la batería.

Utiliza una batería de respaldo con especificaciones de 12 VCC y 7 Ah o superiores. Este producto se probó con el modelo "ES7-12" de "ROCKET", y se recomienda utilizar productos equivalentes al "ES7-12".
-
La batería de respaldo se vende por separado.
-
Asegúrese de revisar el tamaño y la forma de los terminales de la batería de respaldo. Si el tamaño de la batería de respaldo supera las especificaciones recomendadas, puede que no quepa en la carcasa o que esta no cierre después de la instalación. Además, si la forma y el tamaño de los terminales son diferentes, no podrá conectar la batería con el cable proporcionado.
Fijación del producto
-
Verifique la ubicación para montar el producto en el gabinete.

-
Coloque el producto en el gabinete según la ubicación de montaje y fíjelo con tornillos.

- El ENCR-10 está diseñado para montarse en la pared. Instálelo a una altura segura y conveniente; no hay restricciones respecto a la altura de instalación.
-
Los componentes del ENCR-10 incluyen tornillos para la fijación de la carcasa, tornillos para la fijación del producto y tornillos para la conexión del dispositivo de alimentación. Utilice cada tornillo correctamente según su propósito.
-
Tornillos de fijación para la carcasa (diámetro: 4 mm, longitud: 25 mm) x4
-
Tornillos de fijación para el dispositivo (diámetro: 3 mm, longitud: 5 mm) x6
-
Tornillos de fijación para el cable de alimentación (diámetro: 3 mm, longitud: 8 mm) x1
-
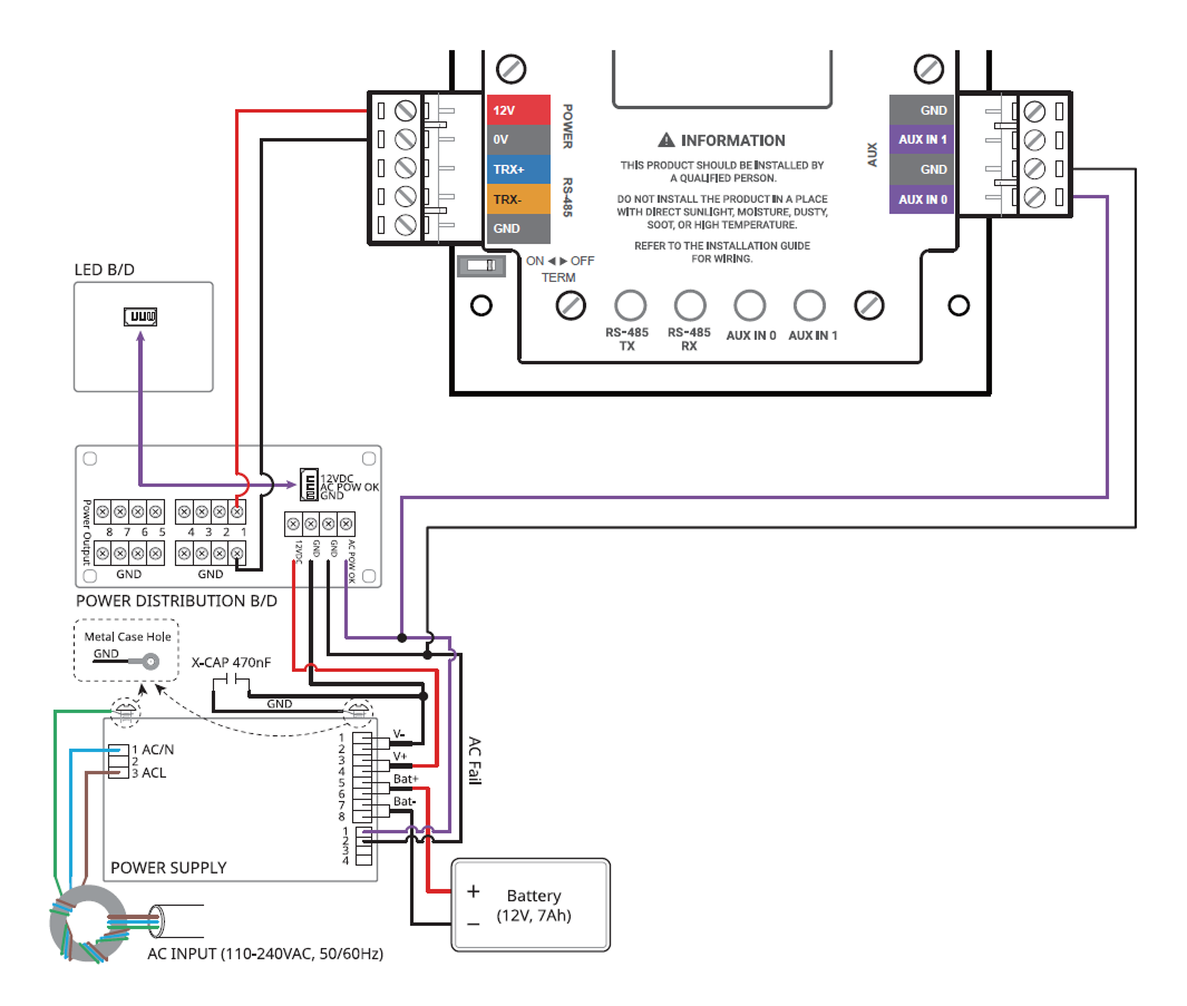
Entrada de alimentación y AUX, conexión de tamper
Para evitar interrupciones de energía, conecte una fuente de alimentación ininterrumpida (UPS); las salidas de contacto de detectores de cortes de energía u otros dispositivos pueden conectarse al terminal AUX IN.
Conecte también el tamper para activar una alarma o registrar un evento si el gabinete se abre por factores externos.

-
Asegúrese de usar alimentación independiente para el dispositivo de control de acceso y los productos.
-
Use un adaptador de alimentación aprobado por IEC/EN 62368-1 que admita un consumo de energía mayor que el del producto. Si desea conectar y usar otro dispositivo al adaptador de alimentación, utilice un adaptador con una capacidad de corriente igual o mayor que el consumo total requerido por el terminal y el otro dispositivo.
- Consulte las especificaciones del producto Power para conocer la especificación de corriente máxima.
-
NO extienda la longitud del cable de alimentación al usar el adaptador de alimentación.
-
Utiliza una batería de respaldo con especificaciones de 12 VCC y 7 Ah o superiores. Este producto se probó con el modelo "ES7-12" de "ROCKET", y se recomienda utilizar productos equivalentes al "ES7-12".
Instalación del módulo de salida (OM-120)
Fijación de la batería de respaldo
Inserte la correa de Velcro de la batería en la carcasa y sujete la batería.

Utiliza una batería de respaldo con especificaciones de 12 VCC y 7 Ah o superiores. Este producto se probó con el modelo "ES7-12" de "ROCKET", y se recomienda utilizar productos equivalentes al "ES7-12".
-
La batería de respaldo se vende por separado.
-
Asegúrese de revisar el tamaño y la forma de los terminales de la batería de respaldo. Si el tamaño de la batería de respaldo supera las especificaciones recomendadas, puede que no quepa en la carcasa o que esta no cierre después de la instalación. Además, si la forma y el tamaño de los terminales son diferentes, no podrá conectar la batería con el cable proporcionado.
Fijación del producto
-
Verifique la ubicación para montar el producto en el gabinete. Instale 2 productos en un gabinete.

-
Coloque el producto en el gabinete según la ubicación de montaje y fíjelo con tornillos.

- El ENCR-10 está diseñado para montarse en la pared. Instálelo a una altura segura y conveniente; no hay restricciones respecto a la altura de instalación.
-
Los componentes del ENCR-10 incluyen tornillos para la fijación de la carcasa, tornillos para la fijación del producto y tornillos para la conexión del dispositivo de alimentación. Utilice cada tornillo correctamente según su propósito.
-
Tornillos de fijación para la carcasa (diámetro: 4 mm, longitud: 25 mm) x4
-
Tornillos de fijación para el dispositivo (diámetro: 3 mm, longitud: 5 mm) x6
-
Tornillos de fijación para el cable de alimentación (diámetro: 3 mm, longitud: 8 mm) x1
-
Conexión de alimentación y entrada AUX
Para evitar interrupciones de energía, conecte una fuente de alimentación ininterrumpida (UPS); las salidas de contacto de detectores de cortes de energía u otros dispositivos pueden conectarse al terminal AUX IN.

-
Asegúrese de usar alimentación independiente para el dispositivo de control de acceso y los productos.
-
Use un adaptador de alimentación aprobado por IEC/EN 62368-1 que admita un consumo de energía mayor que el del producto. Si desea conectar y usar otro dispositivo al adaptador de alimentación, utilice un adaptador con una capacidad de corriente igual o mayor que el consumo total requerido por el terminal y el otro dispositivo.
- Consulta la sección alimentación de las especificaciones del producto para conocer las especificaciones de consumo máximo de corriente.
-
NO extienda la longitud del cable de alimentación al usar el adaptador de alimentación.
-
Utiliza una batería de respaldo con especificaciones de 12 VCC y 7 Ah o superiores. Este producto se probó con el modelo "ES7-12" de "ROCKET", y se recomienda utilizar productos equivalentes al "ES7-12".
Conexión antimanipulación
Si el gabinete se abre debido a factores externos, puede activar una alarma o generar un registro de evento.

Instalación del módulo de entrada (IM-120)
Fijación de la batería de respaldo
Inserte la correa de Velcro de la batería en la carcasa y sujete la batería.

Utiliza una batería de respaldo con especificaciones de 12 VCC y 7 Ah o superiores. Este producto se probó con el modelo "ES7-12" de "ROCKET", y se recomienda utilizar productos equivalentes al "ES7-12".
-
La batería de respaldo se vende por separado.
-
Asegúrese de revisar el tamaño y la forma de los terminales de la batería de respaldo. Si el tamaño de la batería de respaldo supera las especificaciones recomendadas, puede que no quepa en la carcasa o que esta no cierre después de la instalación. Además, si la forma y el tamaño de los terminales son diferentes, no podrá conectar la batería con el cable proporcionado.
Fijación del producto
-
Verifique la ubicación para montar el producto en el gabinete. Instale 2 productos en un gabinete.

-
Coloque el producto en el gabinete según la ubicación de montaje y fíjelo con tornillos.

- El ENCR-10 está diseñado para montarse en la pared. Instálelo a una altura segura y conveniente; no hay restricciones respecto a la altura de instalación.
-
Los componentes del ENCR-10 incluyen tornillos para la fijación de la carcasa, tornillos para la fijación del producto y tornillos para la conexión del dispositivo de alimentación. Utilice cada tornillo correctamente según su propósito.
-
Tornillos de fijación para la carcasa (diámetro: 4 mm, longitud: 25 mm) x4
-
Tornillos de fijación para el dispositivo (diámetro: 3 mm, longitud: 5 mm) x6
-
Tornillos de fijación para el cable de alimentación (diámetro: 3 mm, longitud: 8 mm) x1
-
Conexión de alimentación y entrada AUX
Para evitar interrupciones de energía, conecte una fuente de alimentación ininterrumpida (UPS); las salidas de contacto de detectores de cortes de energía u otros dispositivos pueden conectarse al terminal AUX IN.

-
Asegúrese de usar alimentación independiente para el dispositivo de control de acceso y los productos.
-
Use un adaptador de alimentación aprobado por IEC/EN 62368-1 que admita un consumo de energía mayor que el del producto. Si desea conectar y usar otro dispositivo al adaptador de alimentación, utilice un adaptador con una capacidad de corriente igual o mayor que el consumo total requerido por el terminal y el otro dispositivo.
- Consulte la sección Power de las especificaciones del producto para conocer el consumo máximo de corriente.
-
NO extienda la longitud del cable de alimentación al usar el adaptador de alimentación.
-
Utiliza una batería de respaldo con especificaciones de 12 VCC y 7 Ah o superiores. Este producto se probó con el modelo "ES7-12" de "ROCKET", y se recomienda utilizar productos equivalentes al "ES7-12".
Conexión antimanipulación
Si el gabinete se abre debido a factores externos, puede activar una alarma o generar un registro de evento.
