Instalación
Ofrece los procedimientos completos de instalación y ejemplos de conexión necesarios para el dispositivo.
Fijar el soporte y el producto
Este documento describe el método de instalación basado en la forma del modelo FSF2-ODB. Utilice el mismo método para instalar los modelos FSF2-DB y FSF2-AB.
-
Determine la posición correcta para instalar el soporte usando la plantilla de perforación proporcionada.
Información-
La altura óptima para instalar el dispositivo es la siguiente.
-
FSF2-ODB: 124 cm
-
FSF2-DB, FSF2-AB: 127 cm
-
-
Instale el dispositivo donde no reciba luz solar directa ni luz UV.
-
Ajuste la posición de instalación para que el rostro no esté expuesto a la luz solar directa cuando el usuario intente autenticarse.
-
-
Asegura firmemente el soporte con los tornillos de fijación en el lugar donde se montará el producto.
Información-
Si instalas el producto en una pared de concreto, perfora un agujero, inserta un anclaje de PVC y sujétalo con un tornillo de fijación.
-
Para evitar interferencias de RF, se debe mantener una distancia mínima de separación.

Espesor de pared Distancia 100 mm 200 mm 120 mm 180 mm 150 mm 150 mm 
- Al utilizar una credencial de acceso móvil, instala los dispositivos manteniendo una distancia mínima de 1 m entre ellos para evitar interferencias BLE.
-
-
Después de instalar la cubierta del cable, apriete firmemente los seis tornillos de la cubierta y monte el producto en el soporte fijo.
InformaciónAsegúrate de que la cubierta del cable esté completamente cerrada después de conectarla al producto para mantener las características de resistencia al agua y al polvo (clasificación IP65).
-
Gira los tornillos de fijación para ensamblar el producto con el soporte.
InformaciónAl ensamblar el producto con el soporte, puedes usar el tornillo de fijación del soporte incluido (en forma de estrella) en lugar del tornillo de fijación del producto para aumentar la seguridad.
Conexión de la fuente de alimentación

-
Use un adaptador de alimentación aprobado por IEC/EN 62368-1 que admita un consumo de energía mayor que el del producto. Si desea conectar y usar otro dispositivo al adaptador de alimentación, utilice un adaptador con una capacidad de corriente igual o mayor que el consumo total requerido por el terminal y el otro dispositivo.
- Consulte la sección Alimentación en las especificaciones del producto para conocer el consumo máximo de corriente.
- Use una fuente de alimentación independiente para Secure I/O 2, la cerradura eléctrica y el producto, respectivamente. Si conecta y usa la misma fuente de alimentación para estos dispositivos, estos pueden funcionar incorrectamente.
-
Al conectar la alimentación, tenga en cuenta la distancia entre el dispositivo y la fuente de alimentación. Conecte el dispositivo lo más cerca posible de la fuente de alimentación para que la longitud del cable sea mínima. Si las conexiones de los cables se realizan de forma incorrecta, el dispositivo puede funcionar incorrectamente. Se recomienda usar un cable de 16 AWG o 18 AWG si el producto está lejos de la fuente de alimentación. La distancia de conexión puede variar según el estándar del cable utilizado y el entorno de instalación. Este producto admite alimentación de 24 VCC y 12 VCC; verifique la longitud máxima según la especificación del cable para asegurarse de que la unidad reciba alimentación adecuada.
Estándar de cable Máx. longitud extendida CC 12V CC 24V 16 AWG 50 m 150 m 18 AWG 30 m 136 m 20 AWG 20 m 90 m
- NO extienda la longitud del cable de alimentación al usar el adaptador de alimentación.
- NO utilice CAT5 UTP de 2 hilos para la alimentación.
Conexión de red
TCP/IP
Conexión LAN (conexión a un concentrador)
Conecte el producto a un concentrador con un cable CAT-5 estándar.

Conexión LAN (conexión directa a una PC)
Este dispositivo cuenta con función automática MDI/MDIX, por lo que puede conectarse directamente a una PC utilizando un cable CAT-5 recto estándar o un cable cruzado.

Consulte la siguiente información al utilizar un conmutador de red gigabit.
-
Utilice un cable CAT-5e UTP (unidad de par trenzado sin blindaje).
-
Utilice los 4 pares (8 hilos) del cable para la conexión de red.
-
NO utilice el par de cables para otro propósito.
Puertos y servicios de red
Este dispositivo usa los siguientes puertos para la comunicación en red y el funcionamiento estable del servicio.
| Protocolo | Descripción del servicio |
|---|---|
| TCP | Se utiliza para los servicios de comunicación entre el servidor y el dispositivo, así como para el servicio de cambio de estado operativo del dispositivo. |
| UDP | Se usa para el servicio de detección del dispositivo, que permite buscar dispositivos en la red. |
Estos puertos se utilizan para proporcionar las funciones normales de red del producto. Al configurar reglas de firewall o ajustes de seguridad de red, permite el uso de estos puertos.
Conexión de entrada

Conexión del relé
Cerradura fail safe
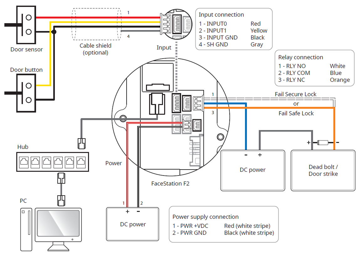
Para utilizar la cerradura Fail Safe, conecte el relé N/C como se muestra en la figura a continuación. Normalmente circula corriente a través del relé de la cerradura Fail Safe. Cuando se activa el relé y se bloquea el flujo de corriente, la puerta se abrirá. Si se corta la alimentación del producto debido a un fallo de energía o a un factor externo, la puerta se abrirá.

-
Instale un diodo en ambos extremos del cable de la cerradura, como se muestra en la figura, para proteger el relé de la corriente inversa que se produce cuando la cerradura funciona.
-
Utilice una fuente de alimentación independiente para el producto y la cerradura.
-
Los lectores inteligentes independientes de Suprema contienen relés internos que pueden bloquear/desbloquear puertas directamente sin controladores externos para mayor comodidad. Sin embargo, para aplicaciones de control de acceso que requieren seguridad, NO se recomienda utilizar el relé interno de un lector a fin de evitar manipulaciones que puedan desbloquear la puerta. Para estas aplicaciones, se recomienda encarecidamente usar una unidad de relé independiente para el control de la cerradura, como Secure I/O 2, DM-20 o CoreStation de Suprema, instaladas en el lado seguro de la puerta.
Preste atención a la dirección de instalación del diodo. Instale el diodo cerca de la cerradura.
Cerradura fail secure
Conecte el relé N/O como se muestra en la figura para usar la cerradura fail secure. Normalmente no circula corriente a través del relé para la cerradura Fail Secure. Cuando el relé activa el flujo de corriente, la puerta se abrirá. Si el suministro eléctrico del producto se interrumpe debido a un corte de energía o a un factor externo, la puerta se bloqueará.

-
Instale un diodo en ambos extremos del cable de la cerradura, como se muestra en la figura, para proteger el relé de la corriente inversa que se produce cuando la cerradura funciona.
-
Utilice una fuente de alimentación independiente para el producto y la cerradura.
-
Los lectores inteligentes independientes de Suprema contienen relés internos que pueden bloquear/desbloquear puertas directamente sin controladores externos para mayor comodidad. Sin embargo, para aplicaciones de control de acceso que requieren seguridad, NO se recomienda utilizar el relé interno de un lector a fin de evitar manipulaciones que puedan desbloquear la puerta. Para estas aplicaciones, se recomienda encarecidamente usar una unidad de relé independiente para el control de la cerradura, como Secure I/O 2, DM-20 o CoreStation de Suprema, instaladas en el lado seguro de la puerta.
Preste atención a la dirección de instalación del diodo. Instale el diodo cerca de la cerradura.
Conexión de puerta automática

Conectar como independiente
El producto puede conectarse directamente a la cerradura, el botón y el sensor de puerta sin necesidad de conectar un dispositivo de E/S adicional.

Los lectores inteligentes independientes de Suprema contienen relés internos que pueden bloquear/desbloquear puertas directamente sin controladores externos para mayor comodidad. Sin embargo, para aplicaciones de control de acceso que requieren seguridad, NO se recomienda utilizar el relé interno de un lector a fin de evitar manipulaciones que puedan desbloquear la puerta. Para estas aplicaciones, se recomienda encarecidamente usar una unidad de relé independiente para el control de la cerradura, como Secure I/O 2, DM-20 o CoreStation de Suprema, instaladas en el lado seguro de la puerta.
- El dispositivo puede utilizarse como controlador de múltiples puertas con los dispositivos esclavos mediante el cable RS-485. Los dispositivos esclavos se utilizan como lectores ficticios y la autenticación se realiza en el dispositivo maestro.
-
Si un dispositivo de autenticación por huella digital está configurado como esclavo en FaceStation F2, no se puede agregar otro FaceStation F2 como esclavo.
-
Si el dispositivo de autenticación por huella digital es el dispositivo maestro, no se puede agregar FaceStation F2 como dispositivo esclavo.
-
Cuando se conecta FaceStation F2 como dispositivo esclavo mientras FaceStation F2 es el dispositivo maestro, solo se puede agregar un FaceStation F2 como dispositivo esclavo.
-
Cuando FaceStation F2 es el dispositivo maestro y otro FaceStation F2 se conecta a él como esclavo, se puede conectar adicionalmente un Secure I/O 2 y un DM-20 cada uno.
-
Cuando FaceStation F2 es el dispositivo maestro y otro FaceStation F2 está conectado a él como esclavo, no se pueden conectar OM-120 adicionales.
- FaceStation F2 no puede utilizarse como dispositivo esclavo cuando BioStation 3 es el dispositivo maestro y viceversa.
-
El número máximo de dispositivos esclavos que se pueden conectar varía según el método de autenticación, el número de usuarios y el número de dispositivos. Ten en cuenta también que la cantidad de dispositivos esclavos afecta el rendimiento de autenticación.
-
Conecte hasta 31 dispositivos esclavos a un dispositivo maestro. El ancho de banda de RS-485 permite conectar hasta 7 dispositivos de autenticación por huella.
- Para más información, comuníquese con el Equipo de soporte técnico de Suprema.
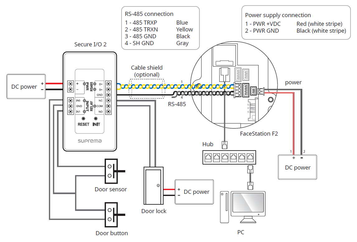
Conectar Secure I/O 2
Secure I/O 2 es un dispositivo de E/S que se puede conectar al producto con el cable RS-485. La seguridad puede mantenerse incluso si se pierde la conexión entre el producto y Secure I/O 2 o si el suministro de energía al producto se interrumpe debido a factores externos.
-
Utilice un par trenzado AWG24 con una longitud máxima de 1.2 km para el cable RS-485.
-
Se recomienda usar cables RS-485 con una impedancia característica de 120 Ω.
-
Si se conecta mediante una cadena en serie RS-485, conecte la resistencia de terminación (120 Ω) en ambos extremos de la conexión en cadena. Si se conecta en la línea media, el nivel de señal se reducirá y el rendimiento de comunicación se verá afectado. Asegúrese de conectarlas en ambos extremos de la conexión en cadena.

- El dispositivo puede utilizarse como controlador de múltiples puertas con los dispositivos esclavos mediante el cable RS-485. Los dispositivos esclavos se utilizan como lectores ficticios y la autenticación se realiza en el dispositivo maestro.
-
Si un dispositivo de autenticación por huella digital está configurado como esclavo en FaceStation F2, no se puede agregar otro FaceStation F2 como esclavo.
-
Si el dispositivo de autenticación por huella digital es el dispositivo maestro, no se puede agregar FaceStation F2 como dispositivo esclavo.
-
Cuando se conecta FaceStation F2 como dispositivo esclavo mientras FaceStation F2 es el dispositivo maestro, solo se puede agregar un FaceStation F2 como dispositivo esclavo.
-
Cuando FaceStation F2 es el dispositivo maestro y otro FaceStation F2 se conecta a él como esclavo, se puede conectar adicionalmente un Secure I/O 2 y un DM-20 cada uno.
-
Cuando FaceStation F2 es el dispositivo maestro y otro FaceStation F2 está conectado a él como esclavo, no se pueden conectar OM-120 adicionales.
- FaceStation F2 no puede utilizarse como dispositivo esclavo cuando BioStation 3 es el dispositivo maestro y viceversa.
-
El número máximo de dispositivos esclavos que se pueden conectar varía según el método de autenticación, el número de usuarios y el número de dispositivos. Ten en cuenta también que la cantidad de dispositivos esclavos afecta el rendimiento de autenticación.
-
Conecte hasta 31 dispositivos esclavos a un dispositivo maestro. El ancho de banda de RS-485 permite conectar hasta 7 dispositivos de autenticación por huella.
- Para más información, comuníquese con el Equipo de soporte técnico de Suprema.
Conexión Wiegand
Use como dispositivo de entrada o salida Wiegand.
