Instalación
Ofrece los procedimientos completos de instalación y ejemplos de conexión necesarios para el dispositivo.
Fijación del producto
-
Asegura el espaciador con tornillos de fijación en el lugar donde se instalará el producto.
-
Aprieta el producto sobre el espaciador asegurado utilizando tornillos de fijación.
Conexión de la fuente de alimentación

- Asegúrese de usar alimentación independiente para el dispositivo de control de acceso y los productos.
-
Use un adaptador de alimentación aprobado por IEC/EN 62368-1 que admita un consumo de energía mayor que el del producto. Si desea conectar y usar otro dispositivo al adaptador de alimentación, utilice un adaptador con una capacidad de corriente igual o mayor que el consumo total requerido por el terminal y el otro dispositivo.
- Consulte la sección Alimentación en las especificaciones del producto para conocer el consumo máximo de corriente.
- NO extienda la longitud del cable de alimentación al usar el adaptador de alimentación.
Se recomienda conectar y usar una fuente de alimentación ininterrumpida (UPS) para evitar fallas de energía.
Conexión RS-485
Conecta el producto al dispositivo maestro.

-
Utilice cable AWG26 o superior para RS-485 y asegúrese de que todo el cableado cumpla con las normas ANSI/NFPA 70.
-
Utilice un par trenzado AWG24 con una longitud máxima de 1.2 km para el cable RS-485.
-
Se recomienda usar cables RS-485 con una impedancia característica de 120 Ω.
-
Conecte resistencias de terminación (120 Ω) en ambos extremos de la conexión en cadena RS-485. Si se conecta en la línea media, el nivel de señal se reducirá y el rendimiento de comunicación se verá afectado. Asegúrese de conectarlas en ambos extremos de la conexión en cadena. Configure el interruptor de la resistencia de terminación de este producto en ON.
Conexión del relé
Controle el mecanismo de bloqueo de la puerta de entrada o el sistema de alarma mediante el relé de este producto. Consulte la guía del dispositivo que va a conectar y conecte el relé como NC o NO.

Cerradura fail safe
Conecte el relé NC como se muestra en la figura siguiente para usar la cerradura Fail Safe. Normalmente circula corriente a través del relé de la cerradura Fail Safe. Cuando se activa el relé y se bloquea el flujo de corriente, la puerta se abrirá. Si se corta la alimentación del producto debido a un fallo de energía o a un factor externo, la puerta se abrirá.
Conecte un diodo a ambos extremos de la entrada de alimentación, como se muestra en la figura siguiente, al instalar un cerrojo o una cerradura eléctrica de golpe. Asegúrese de conectar el cátodo (lado de la franja) a la parte + de la alimentación, prestando atención a la orientación del diodo.
No conecte el relé de este producto de forma duplicada al dispositivo conectado al puerto de relé del dispositivo maestro.

Cerradura fail secure
Conecte el relé NO como se muestra en la figura siguiente para usar la cerradura Fail Secure. Normalmente no circula corriente a través del relé para la cerradura Fail Secure. Cuando el relé activa el flujo de corriente, la puerta se abrirá. Si el suministro eléctrico del producto se interrumpe debido a un corte de energía o a un factor externo, la puerta se bloqueará.
Conecte un diodo a ambos extremos de la entrada de alimentación, como se muestra en la figura siguiente, al instalar un cerrojo o una cerradura eléctrica de golpe. Asegúrese de conectar el cátodo (lado de la franja) a la parte + de la alimentación, prestando atención a la orientación del diodo.
No conecte el relé de este producto de forma duplicada al dispositivo conectado al puerto de relé del dispositivo maestro.

Conexión de entrada supervisada
Conecta sensores de detección de incendios, sensores de temperatura, sensores antirrobo, sensores de puerta, botones de salida, etc. Los terminales SUPERVISED INPUT 0~11 pueden detectar el voltaje que circula por el circuito para supervisar los estados de cortocircuito, circuito abierto, encendido y apagado del dispositivo, y también se pueden usar como entrada general.
Configura las acciones según el estado del producto en BioStar X y supervisa el estado de la entrada.

-
No dupliques la conexión de las entradas del producto a los dispositivos conectados a los puertos de entrada del dispositivo maestro.
-
Este producto admite la conexión de resistencias de 1kΩ, 2.2kΩ, 4.7kΩ y 10kΩ. Después de conectar la resistencia adecuada al dispositivo de entrada, configure el mismo valor de resistencia en BioStar X.
Conexión antimanipulación
Si el dispositivo se separa de su instalación por factores externos, puede activar una alarma o generar un registro de eventos.

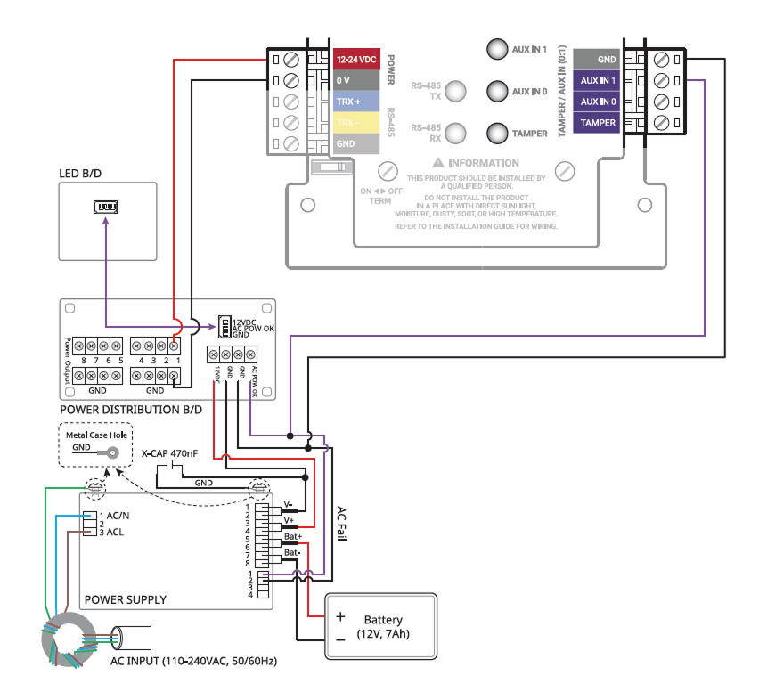
Instalación del gabinete
Para protección física y eléctrica, el producto puede instalarse dentro del gabinete (ENCR-10). El gabinete incluye una placa LED de estado de alimentación, una placa de distribución de energía, una fuente de alimentación y un tamper. El gabinete se vende por separado.
Fijación de la batería de respaldo
Inserte la correa de Velcro de la batería en la carcasa y sujete la batería.

Utiliza una batería de respaldo con especificaciones de 12 VCC y 7 Ah o superiores. Este producto se probó con el modelo "ES7-12" de "ROCKET", y se recomienda utilizar productos equivalentes al "ES7-12".
-
La batería de respaldo se vende por separado.
-
Asegúrese de revisar el tamaño y la forma de los terminales de la batería de respaldo. Si el tamaño de la batería de respaldo supera las especificaciones recomendadas, puede que no quepa en la carcasa o que esta no cierre después de la instalación. Además, si la forma y el tamaño de los terminales son diferentes, no podrá conectar la batería con el cable proporcionado.
Fijación del producto
-
Verifique la ubicación para montar el producto en el gabinete. Instale 2 productos en un gabinete.

-
Coloque el producto en el gabinete según la ubicación de montaje y fíjelo con tornillos.

- El ENCR-10 está diseñado para montarse en la pared. Instálelo a una altura segura y conveniente; no hay restricciones respecto a la altura de instalación.
-
Los componentes del ENCR-10 incluyen tornillos para la fijación de la carcasa, tornillos para la fijación del producto y tornillos para la conexión del dispositivo de alimentación. Utilice cada tornillo correctamente según su propósito.
-
Tornillos de fijación para la carcasa (diámetro: 4 mm, longitud: 25 mm) x4
-
Tornillos de fijación para el dispositivo (diámetro: 3 mm, longitud: 5 mm) x6
-
Tornillos de fijación para el cable de alimentación (diámetro: 3 mm, longitud: 8 mm) x1
-
Conexión de alimentación y entrada AUX
Para evitar interrupciones de energía, conecte una fuente de alimentación ininterrumpida (UPS); las salidas de contacto de detectores de cortes de energía u otros dispositivos pueden conectarse al terminal AUX IN.

-
Asegúrese de usar alimentación independiente para el dispositivo de control de acceso y los productos.
-
Use un adaptador de alimentación aprobado por IEC/EN 62368-1 que admita un consumo de energía mayor que el del producto. Si desea conectar y usar otro dispositivo al adaptador de alimentación, utilice un adaptador con una capacidad de corriente igual o mayor que el consumo total requerido por el terminal y el otro dispositivo.
- Consulte la sección Alimentación en las especificaciones del producto para conocer el consumo máximo de corriente.
-
NO extienda la longitud del cable de alimentación al usar el adaptador de alimentación.
-
Utiliza una batería de respaldo con especificaciones de 12 VCC y 7 Ah o superiores. Este producto se probó con el modelo "ES7-12" de "ROCKET", y se recomienda utilizar productos equivalentes al "ES7-12".
Conexión antimanipulación
Si el gabinete se abre debido a factores externos, puede activar una alarma o generar un registro de evento.

Para obtener información más detallada sobre la instalación del producto, comunícate con el Equipo de Soporte Técnico de Suprema.