Instalación
Ofrece los procedimientos completos de instalación y ejemplos de conexión necesarios para el dispositivo.
Fijar el soporte y el producto
-
Asegura firmemente el soporte con los tornillos de fijación en el lugar donde se montará el producto.
Información-
Si instalas el producto en una pared de concreto, perfora un agujero, inserta un anclaje de PVC y sujétalo con un tornillo de fijación.
-
Para evitar interferencias de RF, se debe mantener una distancia mínima de separación.

Espesor de pared Distancia 100 mm 270 mm 120 mm 250 mm 150 mm 170 mm 
- Al utilizar una credencial de acceso móvil, instala los dispositivos manteniendo una distancia mínima de 1 m entre ellos para evitar interferencias BLE.
-
-
Aprieta los cuatro tornillos que sujetan la cubierta del cable.
InformaciónAsegúrate de que la cubierta del cable esté completamente cerrada después de conectarla al producto para mantener las características de resistencia al agua y al polvo (clasificación IP65).
-
Monta el producto en el soporte fijado.
-
Gira los tornillos de fijación para ensamblar el producto con el soporte.
InformaciónAl ensamblar el producto con el soporte, puedes usar el tornillo de fijación del soporte incluido (en forma de estrella) en lugar del tornillo de fijación del producto para aumentar la seguridad.
Conexión de la fuente de alimentación

- NO conecte el dispositivo a la fuente de alimentación de CC (o adaptador) y a la alimentación PoE al mismo tiempo.
-
Use un adaptador de alimentación aprobado por IEC/EN 62368-1 que admita un consumo de energía mayor que el del producto. Si desea conectar y usar otro dispositivo al adaptador de alimentación, utilice un adaptador con una capacidad de corriente igual o mayor que el consumo total requerido por el terminal y el otro dispositivo.
- Consulte la sección Alimentación en las especificaciones del producto para conocer el consumo máximo de corriente.
- Use una fuente de alimentación independiente para Secure I/O 2, la cerradura eléctrica y el producto, respectivamente. Si conecta y usa la misma fuente de alimentación para estos dispositivos, estos pueden funcionar incorrectamente.
- NO extienda la longitud del cable de alimentación al usar el adaptador de alimentación.
Conecte la alimentación del lector
Conecte la alimentación del lector y de la cerradura

Conecte la alimentación de la cerradura

Especificaciones de alimentación para lector y cerradura
| Alimentación | Corriente máxima del lector | Corriente máxima de la cerradura |
|---|---|---|
| CC 12V | 500 mA | 1.2 A |
| CC 24V | 250 mA | 600 mA |
| PoE (salida de 12 V) | 500 mA | No compatible |
Longitud máxima de extensión según especificación del cable
La distancia de conexión puede variar según las especificaciones del cable y el entorno de instalación utilizado para la alimentación. Si las conexiones de los cables se realizan de forma incorrecta, el dispositivo puede funcionar incorrectamente. El producto soporta CC 12 V, CC 24 V y PoE. Verifique la longitud máxima de extensión para cada calibre de cable y conecte la alimentación correctamente.
| Especificación del cable | CC 12V | CC 24V | PoE (Salida de 12 V) | |||
|---|---|---|---|---|---|---|
| Lector (500 mA) | Cerradura (1.2 A) | Lector (250 mA) | Cerradura (600 mA) | Lector (500 mA) | ||
| 14 AWG | 190 m | 95 m | 770 m | 385 m | 190 m | |
| 16 AWG | 120 m | 60 m | 480 m | 240 m | 120 m | |
| 18 AWG | 75 m | 35 m | 300 m | 150 m | 75 m | |
La longitud máxima de extensión real puede variar según la resistencia y el modelo del fabricante del cable.
Conexión de red
TCP/IP
Conexión LAN (conexión a un concentrador)
Conéctese al concentrador con un cable CAT-5e estándar.

Conexión LAN (conexión directa a una PC)
-
Este dispositivo cuenta con MDI/MDIX automático, por lo que puede conectarse directamente a una PC mediante un cable cruzado o un cable CAT-5e recto estándar.
PrecauciónAlgunos concentradores o conmutadores no estándar podrían no admitir MDI/MDIX automático.
-
XPQ2-APB admite PoE que suministra energía a través del cable Ethernet.

Puertos y servicios de red
Este dispositivo usa los siguientes puertos para la comunicación en red y el funcionamiento estable del servicio.
| Protocolo | Descripción del servicio |
|---|---|
| TCP | Se utiliza para los servicios de comunicación entre el servidor y el dispositivo, así como para el servicio de cambio de estado operativo del dispositivo. |
| UDP | Se usa para el servicio de detección del dispositivo, que permite buscar dispositivos en la red. |
Estos puertos se utilizan para proporcionar las funciones normales de red del producto. Al configurar reglas de firewall o ajustes de seguridad de red, permite el uso de estos puertos.
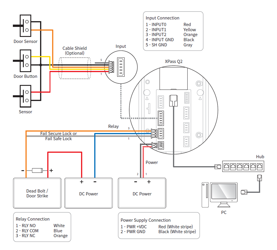
Conexión de entrada

Conexión del relé
Cerradura fail safe
Para utilizar la cerradura Fail Safe, conecte el relé N/C como se muestra en la figura a continuación. Normalmente circula corriente a través del relé de la cerradura Fail Safe. Cuando se activa el relé y se bloquea el flujo de corriente, la puerta se abrirá. Si se corta la alimentación del producto debido a un fallo de energía o a un factor externo, la puerta se abrirá.

-
Instale un diodo en ambos extremos del cable de la cerradura, como se muestra en la figura, para proteger el relé de la corriente inversa que se produce cuando la cerradura funciona.
-
Utilice una fuente de alimentación independiente para el producto y la cerradura.
-
Los lectores inteligentes independientes de Suprema contienen relés internos que pueden bloquear/desbloquear puertas directamente sin controladores externos para mayor comodidad. Sin embargo, para aplicaciones de control de acceso que requieren seguridad, NO se recomienda utilizar el relé interno de un lector a fin de evitar manipulaciones que puedan desbloquear la puerta. Para estas aplicaciones, se recomienda encarecidamente usar una unidad de relé independiente para el control de la cerradura, como Secure I/O 2, DM-20 o CoreStation de Suprema, instaladas en el lado seguro de la puerta.
Preste atención a la dirección de instalación del diodo. Instale el diodo cerca de la cerradura.
Cerradura fail secure
Conecte el relé N/O como se muestra en la figura para usar la cerradura fail secure. Normalmente no circula corriente a través del relé para la cerradura Fail Secure. Cuando el relé activa el flujo de corriente, la puerta se abrirá. Si el suministro eléctrico del producto se interrumpe debido a un corte de energía o a un factor externo, la puerta se bloqueará.

-
Instale un diodo en ambos extremos del cable de la cerradura, como se muestra en la figura, para proteger el relé de la corriente inversa que se produce cuando la cerradura funciona.
-
Utilice una fuente de alimentación independiente para el producto y la cerradura.
-
Los lectores inteligentes independientes de Suprema contienen relés internos que pueden bloquear/desbloquear puertas directamente sin controladores externos para mayor comodidad. Sin embargo, para aplicaciones de control de acceso que requieren seguridad, NO se recomienda utilizar el relé interno de un lector a fin de evitar manipulaciones que puedan desbloquear la puerta. Para estas aplicaciones, se recomienda encarecidamente usar una unidad de relé independiente para el control de la cerradura, como Secure I/O 2, DM-20 o CoreStation de Suprema, instaladas en el lado seguro de la puerta.
Preste atención a la dirección de instalación del diodo. Instale el diodo cerca de la cerradura.
Conexión de puerta automática

Conectar como independiente
El producto puede conectarse directamente a la cerradura, el botón y el sensor de puerta sin necesidad de conectar un dispositivo de E/S adicional.

Los lectores inteligentes independientes de Suprema contienen relés internos que pueden bloquear/desbloquear puertas directamente sin controladores externos para mayor comodidad. Sin embargo, para aplicaciones de control de acceso que requieren seguridad, NO se recomienda utilizar el relé interno de un lector a fin de evitar manipulaciones que puedan desbloquear la puerta. Para estas aplicaciones, se recomienda encarecidamente usar una unidad de relé independiente para el control de la cerradura, como Secure I/O 2, DM-20 o CoreStation de Suprema, instaladas en el lado seguro de la puerta.
- El dispositivo puede utilizarse como controlador de múltiples puertas con los dispositivos esclavos mediante el cable RS-485. Los dispositivos esclavos se utilizan como lectores ficticios y la autenticación se realiza en el dispositivo maestro.
- Cuando este producto opera como maestro, en el esclavo solo está disponible la autenticación por tarjeta o QR/Barcode.
- Conecte hasta 31 dispositivos esclavos a un dispositivo maestro.
- Para más información, comuníquese con el Equipo de soporte técnico de Suprema.
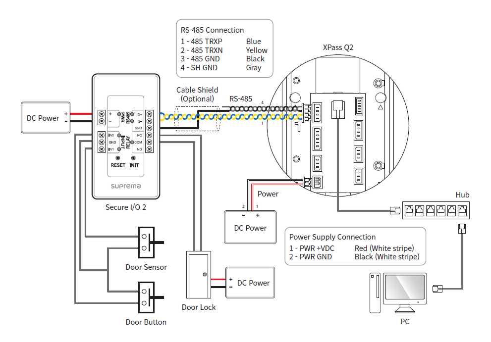
Conectar Secure I/O 2
Secure I/O 2 es un dispositivo de E/S que se puede conectar al producto con el cable RS-485. La seguridad puede mantenerse incluso si se pierde la conexión entre el producto y Secure I/O 2 o si el suministro de energía al producto se interrumpe debido a factores externos.
-
Utilice un par trenzado AWG24 con una longitud máxima de 1.2 km para el cable RS-485.
-
Se recomienda usar cables RS-485 con una impedancia característica de 120 Ω.
-
Si se conecta mediante una cadena en serie RS-485, conecte la resistencia de terminación (120 Ω) en ambos extremos de la conexión en cadena. Si se conecta en la línea media, el nivel de señal se reducirá y el rendimiento de comunicación se verá afectado. Asegúrese de conectarlas en ambos extremos de la conexión en cadena.

- El dispositivo puede utilizarse como controlador de múltiples puertas con los dispositivos esclavos mediante el cable RS-485. Los dispositivos esclavos se utilizan como lectores ficticios y la autenticación se realiza en el dispositivo maestro.
- Cuando este producto opera como maestro, en el esclavo solo está disponible la autenticación por tarjeta o QR/Barcode.
- Conecte hasta 31 dispositivos esclavos a un dispositivo maestro.
- Para más información, comuníquese con el Equipo de soporte técnico de Suprema.
Conexión Wiegand
Use como dispositivo de entrada o salida Wiegand.

Inicializar la configuración de red
Inicialice la configuración de red del dispositivo.
-
Encienda el dispositivo.
-
Presione el botón de reinicio hasta que el dispositivo se reinicie automáticamente.
-
Conecte el dispositivo usando la información de red inicializada.
-
Dirección TCP/IP: asignación de dirección DHCP (si la asignación de dirección DHCP falla, se establecerá en 169.254.x.x).
-
Modo servidor: Deshabilitar
-
RS-485: predeterminado, 115200 bps
-
-
Cambie la información de TCP/IP o RS-485.
-
Compruebe si la información de red está configurada correctamente después de apagar y encender el equipo.
Restablecimiento de fábrica
Elimina toda la información almacenada en el dispositivo e inicializa la configuración.
-
Encienda el dispositivo.
-
Presione rápidamente el botón de reinicio tres veces.
-
Presione el botón de reinicio una vez más cuando el LED del dispositivo parpadee verde.
Utilice Factory Default solo cuando el certificado raíz esté almacenado en el dispositivo.
Actualización de firmware
Puede conectar una memoria USB para actualizar el firmware.
-
Guarde el archivo de firmware en una memoria USB para la actualización.
InformaciónSe recomienda guardar solo un archivo de firmware en la memoria USB para la actualización.
-
Conecte la memoria USB al dispositivo.
InformaciónLa autenticación se suspende temporalmente mientras se lee la memoria USB.
-
Cuando el LED/buzzer indique una solicitud de autenticación, autentíquese con una credencial de administrador.
Información-
Registre al administrador en BioStar X para el dispositivo. No podrá continuar con la actualización de firmware si no hay un administrador registrado en el dispositivo. Para obtener instrucciones detalladas sobre cómo registrar a un administrador, consulte la Guía del Administrador de BioStar X.
-
Solo se permite un intento de autenticación por cada inserción de memoria USB.
-
Si la autenticación falla, el LED/buzzer indicará el fallo y la lectura de la USB finalizará. Desconecte la memoria USB y vuelva a conectarla al dispositivo.
-
-
Después de la autenticación exitosa del administrador, el dispositivo realiza la actualización de firmware e indica el progreso con el LED.
InformaciónSi el archivo de firmware está ausente o dañado, la actualización no continuará y el LED/buzzer indicará el fallo.
-
El dispositivo se reinicia automáticamente después de completar la actualización de firmware.
No desconecte la fuente de alimentación mientras se actualiza el firmware del dispositivo. El dispositivo puede funcionar incorrectamente.