インストール
インストールに必要な全手順と接続例を提供します。
ブラケットと製品の固定
-
付属のドリル用テンプレートを使用して、製品を設置する位置を決めます。 製品を取り付ける位置にブラケットを固定ネジでしっかり固定してください。
情報-
製品をコンクリート壁に設置する場合は、ドリルで穴を開けてPVCアンカーを挿入し、固定ネジで固定してください。
-
RF信号干渉を回避するため、最小離隔距離を確認して設置してください。

壁の厚さ 距離 100 mm 250 mm 120 mm 250 mm 150 mm 180 mm 
-
-
固定したブラケット上に製品を取り付けます。

-
製品固定ネジを締めて、製品とブラケットを組み付けてください。
情報ブラケットと製品を組み立てる際は、セキュリティを向上させるため、製品固定用ネジの代わりに同梱のブラケット固定用ネジ(星形)を使用できます。
電源接続

-
電源アダプターはIEC/EN 62368-1の認証を受け、端末の消費電力を上回る容量のものを使用してください。 電源アダプターに他の機器も接続する場合は、端末の消費電力と他機器の消費電力を合算した電流容量以上のアダプターを使用する必要があります。
- 最大消費電流の規格は製品仕様の電源を参照してください。
- Secure I/O 2、電気錠(電気式ロック)、製品は必ず個別の電源を使用してください。 電源を共用すると装置が誤動作する可能性があります。
- 電源アダプターを使用する場合、電源ケーブルの長さを任意に延長しないでください。
ネットワーク接続
TCP/IP
LAN接続(ハブとの接続)
標準タイプのCAT-5eケーブルを使用してハブに接続できます。

LAN接続(PCと直接接続)
本製品はオートMDI/MDIX機能を備えているため、標準タイプのCAT-5eケーブルでPCに直接接続できます。

ネットワークポートおよびサービス
本製品はネットワーク通信および円滑なサービス運用のため、以下のポートを使用します。
| プロトコル | サービス |
|---|---|
| TCP | サーバーとデバイス間の通信サービスおよびデバイスの運用状態切り替えサービスに使用されます。 |
| UDP | ネットワーク上のデバイス検索サービスに使用されます。 |
上記のポートは製品が正常にネットワーク機能を提供するために使用されます。ファイアウォールやネットワークセキュリティ設定の際には、これらのポートの使用許可が必要です。
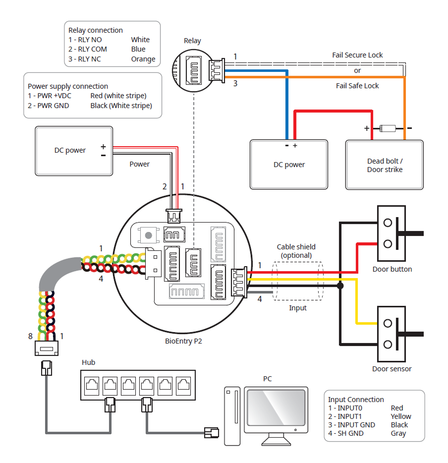
入力接続

リレー接続
Fail Safe Lock
フェイルセーフロックを使用するには、下図のように N/C リレーを接続してください。 Fail Safe Lock は通常、リレー回路に電流が流れており、リレーが動作して電流を一時的に遮断するとドアが開きます。 停電や外部要因で装置の電源が切れた場合、ドアが開きます。

-
扉のロック装置が動作する際に発生する逆電流からリレーを保護するため、図のように扉ロック装置の配線の両側にダイオードを取り付けてください。
-
製品と扉ロック装置には別々の電源を使用してください。
-
Suprema のインテリジェントデバイスには、利便性向上のためにコントローラーを介さずスタンドアロンで接続し、扉を直接開閉できるリレーが内蔵されています。 しかし、より高いセキュリティが求められる入退室管理アプリケーションでは、扉のロック解除を引き起こす可能性のある改ざん攻撃を防ぐため、デバイス内蔵のリレーを使用しないことを推奨します。 このようなアプリケーションでは、ロック制御用に扉内部の安全な位置に設置した Suprema Secure I/O 2、DM-20、CoreStation などの別体リレー装置の使用を推奨します。
ダイオードの取り付け方向に注意してください。 ダイオードは扉ロック装置の近くに取り付けてください。
Fail Secure Lock
フェイルセキュアロックを使用するには、下図のように N/O リレーを接続してください。 Fail Secure Lock は通常、リレー回路に電流が流れず、リレーが動作して電流が流れるとドアが開きます。 停電や外部要因で装置の電源が切れた場合、ドアが施錠されます。

-
扉のロック装置が動作する際に発生する逆電流からリレーを保護するため、図のように扉ロック装置の配線の両側にダイオードを取り付けてください。
-
製品と扉ロック装置には別々の電源を使用してください。
-
Suprema のインテリジェントデバイスには、利便性向上のためにコントローラーを介さずスタンドアロンで接続し、扉を直接開閉できるリレーが内蔵されています。 しかし、より高いセキュリティが求められる入退室管理アプリケーションでは、扉のロック解除を引き起こす可能性のある改ざん攻撃を防ぐため、デバイス内蔵のリレーを使用しないことを推奨します。 このようなアプリケーションでは、ロック制御用に扉内部の安全な位置に設置した Suprema Secure I/O 2、DM-20、CoreStation などの別体リレー装置の使用を推奨します。
ダイオードの取り付け方向に注意してください。 ダイオードは扉ロック装置の近くに取り付けてください。
自動ドア接続

スタンドアロン接続
別途I/Oデバイスを接続せずに、製品を直接ドアロック、退出ボタン、ドアセンサーなどに接続します。

Suprema のインテリジェントデバイスには、利便性向上のためにコントローラーを介さずスタンドアロンで接続し、扉を直接開閉できるリレーが内蔵されています。 しかし、より高いセキュリティが求められる入退室管理アプリケーションでは、扉のロック解除を引き起こす可能性のある改ざん攻撃を防ぐため、デバイス内蔵のリレーを使用しないことを推奨します。 このようなアプリケーションでは、ロック制御用に扉内部の安全な位置に設置した Suprema Secure I/O 2、DM-20、CoreStation などの別体リレー装置の使用を推奨します。
- RS-485 ケーブルでスレーブ装置を接続し、本製品をマルチドアコントローラーとして使用できます。 スレーブ装置はダミーリーダーとして使用され、認証はマスター装置で行います。
- XPassまたはXPass 2をマスター装置として接続した場合、カード認証のみ使用できます。
-
接続可能なスレーブ装置の最大数は認証方法、ユーザー数、装置数によって変わり、スレーブ装置の数は認証速度に影響します。
-
1台のマスター装置につき、スレーブ装置は最大31台まで接続できます。 RS-485の帯域幅の制限により、指紋認識装置は最大7台まで接続できます。
- 詳細は Suprema テクニカルサポートまでお問い合わせください。
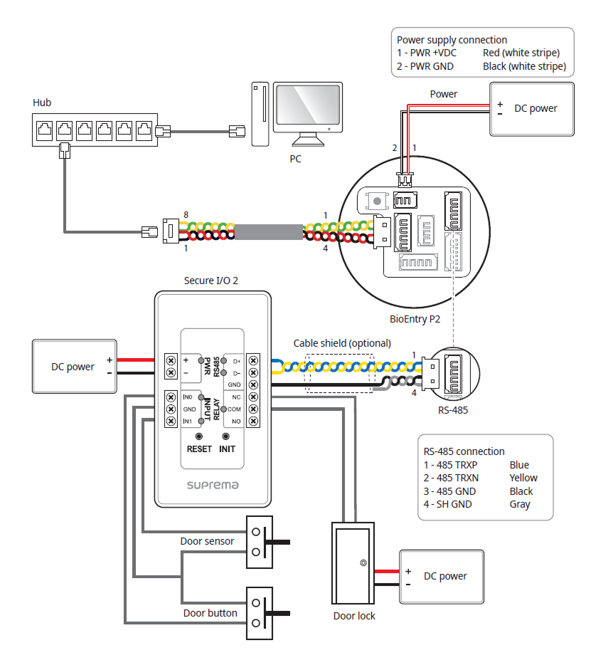
Secure I/O 2 の接続
製品に I/O デバイスである Secure I/O 2 を RS-485 で接続できます。 製品と Secure I/O 2 の接続が切れたり、外部要因により製品の電源が遮断された場合でも、セキュリティを維持できます。
-
RS-485 ケーブルには AWG24 のツイストペアケーブルを使用し、最大長は 1.2 km としてください。
-
RS-485 ケーブルには特性インピーダンス 120 Ω のケーブルを使用することを推奨します。
-
RS-485 をデイジーチェーン接続する場合は、デイジーチェーンの両端に終端抵抗(120 Ω)を取り付けてください。 中間ラインに接続すると信号レベルが低下して通信性能が落ちるため、必ずデイジーチェーンの両端に接続してください。

- RS-485 ケーブルでスレーブ装置を接続し、本製品をマルチドアコントローラーとして使用できます。 スレーブ装置はダミーリーダーとして使用され、認証はマスター装置で行います。
- XPassまたはXPass 2をマスター装置として接続した場合、カード認証のみ使用できます。
-
接続可能なスレーブ装置の最大数は認証方法、ユーザー数、装置数によって変わり、スレーブ装置の数は認証速度に影響します。
-
1台のマスター装置につき、スレーブ装置は最大31台まで接続できます。 RS-485の帯域幅の制限により、指紋認識装置は最大7台まで接続できます。
- 詳細は Suprema テクニカルサポートまでお問い合わせください。
Wiegand接続
Wiegand入力または出力装置として使用

ネットワーク設定の初期化
装置のネットワーク設定を初期化します。
-
電源を入れます。
-
装置が自動的に再起動するまで初期化ボタンを押します。
-
初期化されたネットワーク情報を使用して装置を接続します。
-
TCP/IPアドレス:DHCPアドレス割り当て (DHCP割り当てに失敗した場合は169.254.x.xに設定されます)
-
サーバーモード:無効
-
RS-485:既定値、115200 bps
-
-
TCP/IPまたはRS-485情報を変更します。
-
電源を切って再投入し、ネットワーク情報が正しく設定されていることを確認します。
工場初期化
デバイスに保存されているすべての情報とルート証明書を削除し、設定を初期化します。
-
電源を入れます。
-
初期化ボタンをすばやく3回押してください。
-
デバイスの LED が 緑 で点滅したら、初期化ボタンをもう一度押してください。
デバイスにルート証明書が保存されていない場合、工場初期化を実行できません。