インストール
インストールに必要な全手順と接続例を提供します。
ブラケットと製品の固定
一般ブラケット
-
付属のドリル用テンプレートを使用して、製品を設置する位置を決めます。
情報- 装置を設置する最適な高さは 110 cm です。
-
装置を直射日光や紫外線が直接当たる場所に設置しないでください。
-
利用者が顔認証を行う際に顔に直射日光が当たらないよう、設置位置を調整してください。
-
製品を取り付ける位置にブラケットを固定ネジでしっかり固定してください。
情報-
製品をコンクリート壁に設置する場合は、ドリルで穴を開けてPVCアンカーを挿入し、固定ネジで固定してください。
-
RF信号干渉を回避するため、最小離隔距離を確認して設置してください。

壁の厚さ 距離 100 mm 283 mm 120 mm 275 mm 150 mm 260 mm 
- モバイルアクセスカードを使用する場合、BLE信号の干渉を回避するため、デバイス間に1 m以上の距離を空けて設置してください。
-
-
固定したブラケット上に製品を取り付けます。
-
製品固定ネジを締めて、製品とブラケットを組み付けてください。
情報ブラケットと製品を組み立てる際は、セキュリティを向上させるため、製品固定用ネジの代わりに同梱のブラケット固定用ネジ(星形)を使用できます。
チルトブラケット
本製品は、専用チルトブラケットを使用して、認証時に角度調整が可能となるように設置できます。 専用チルトブラケットは別売品です。
-
付属のドリル用テンプレートを使用して、製品を設置する位置を決めます。
情報- 装置を設置する最適な高さは 110 cm です。
-
装置を直射日光や紫外線が直接当たる場所に設置しないでください。
-
利用者が顔認証を行う際に顔に直射日光が当たらないよう、設置位置を調整してください。
-
製品を取り付ける位置に、チルトブラケット固定用ネジを使用してチルトブラケットをしっかり固定してください。
情報-
製品をコンクリート壁に設置する場合は、ドリルで穴を開けてPVCアンカーを挿入し、固定ネジで固定してください。
-
RF信号干渉を回避するため、最小離隔距離を確認して設置してください。

壁の厚さ 距離 100 mm 283 mm 120 mm 275 mm 150 mm 260 mm 
- モバイルアクセスカードを使用する場合、BLE信号の干渉を回避するため、デバイス間に1 m以上の距離を空けて設置してください。
-
-
チルトブラケットの上にブラケットをしっかり固定してください。
-
固定したブラケット上に製品を取り付けます。
-
製品固定ネジを締めて、製品とブラケットを組み付けてください。
情報ブラケットと製品を組み立てる際は、セキュリティを向上させるため、製品固定用ネジの代わりに同梱のブラケット固定用ネジ(星形)を使用できます。
電源接続

-
電源アダプターはIEC/EN 62368-1の認証を受け、端末の消費電力を上回る容量のものを使用してください。 電源アダプターに他の機器も接続する場合は、端末の消費電力と他機器の消費電力を合算した電流容量以上のアダプターを使用する必要があります。
- 最大消費電流の規格は製品仕様の電源を参照してください。
- Secure I/O 2、電気錠(電気式ロック)、製品は必ず個別の電源を使用してください。 電源を共用すると装置が誤動作する可能性があります。
-
電源を接続する際は製品と電源装置の距離に注意してください。 製品と電源装置はできるだけ近くに設置する必要があります。 正しく接続しないと製品が誤動作する恐れがあるため注意してください。 製品と電源装置の距離が長い場合は16 AWGまたは18 AWGケーブルの使用を推奨します。 使用するケーブルの規格や設置環境によって接続できる距離が異なる場合があります。
ケーブル規格 最大延長長 16 AWG 150 m 18 AWG 136 m 20 AWG 90 m
- 電源アダプターを使用する場合、電源ケーブルの長さを任意に延長しないでください。
- CAT5 UTP 2線ケーブルを電源供給用途に使用しないでください。
ネットワーク接続
TCP/IP
LAN接続(ハブとの接続)
標準タイプのCAT-5ケーブルを使用してハブに接続できます。

LAN接続(PCと直接接続)
本製品はオートMDI/MDIX機能を備えているため、クロスケーブルまたは標準ストレートタイプのCAT-5ケーブルでPCに直接接続できます。

ギガビットイーサネットスイッチを使用する際は、以下の情報を確認してください。
-
CAT-5e UTP(非シールドツイストペア)ケーブルを使用してください。
-
4対(8芯)すべてをネットワーク接続に使用してください。
-
ネットワークケーブルの一部の対や線を別用途に使用しないでください。
ネットワークポートおよびサービス
本製品はネットワーク通信および円滑なサービス運用のため、以下のポートを使用します。
| プロトコル | サービス |
|---|---|
| TCP | サーバーとデバイス間の通信サービスおよびデバイスの運用状態切り替えサービスに使用されます。 |
| UDP | ネットワーク上のデバイス検索サービスに使用されます。 |
上記のポートは製品が正常にネットワーク機能を提供するために使用されます。ファイアウォールやネットワークセキュリティ設定の際には、これらのポートの使用許可が必要です。
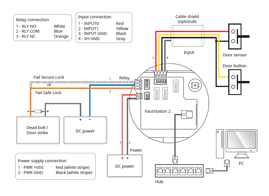
入力接続

リレー接続
Fail Safe Lock
フェイルセーフロックを使用するには、下図のように N/C リレーを接続してください。 Fail Safe Lock は通常、リレー回路に電流が流れており、リレーが動作して電流を一時的に遮断すると出入口が開きます。 停電や外部要因で装置の電源が切れた場合、出入口が開きます。

-
扉のロック装置が動作する際に発生する逆電流からリレーを保護するため、図のように扉ロック装置の配線の両側にダイオードを取り付けてください。
-
製品と扉ロック装置には別々の電源を使用してください。
-
Suprema のインテリジェントデバイスには、利便性向上のためにコントローラーを介さずスタンドアロンで接続し、扉を直接開閉できるリレーが内蔵されています。 しかし、より高いセキュリティが求められる入退室管理アプリケーションでは、扉のロック解除を引き起こす可能性のある改ざん攻撃を防ぐため、デバイス内蔵のリレーを使用しないことを推奨します。 このようなアプリケーションでは、ロック制御用に扉内部の安全な位置に設置した Suprema Secure I/O 2、DM-20、CoreStation などの別体リレー装置の使用を推奨します。
ダイオードの取り付け方向に注意してください。 ダイオードは扉ロック装置の近くに取り付けてください。
Fail Secure Lock
フェイルセキュアロックを使用するには、下図のように N/O リレーを接続してください。 Fail Secure Lock は通常、リレー回路に電流が流れず、リレーが動作して電流が流れると出入口が開きます。 停電や外部要因で装置の電源が切れた場合、出入口が施錠されます。

-
扉のロック装置が動作する際に発生する逆電流からリレーを保護するため、図のように扉ロック装置の配線の両側にダイオードを取り付けてください。
-
製品と扉ロック装置には別々の電源を使用してください。
-
Suprema のインテリジェントデバイスには、利便性向上のためにコントローラーを介さずスタンドアロンで接続し、扉を直接開閉できるリレーが内蔵されています。 しかし、より高いセキュリティが求められる入退室管理アプリケーションでは、扉のロック解除を引き起こす可能性のある改ざん攻撃を防ぐため、デバイス内蔵のリレーを使用しないことを推奨します。 このようなアプリケーションでは、ロック制御用に扉内部の安全な位置に設置した Suprema Secure I/O 2、DM-20、CoreStation などの別体リレー装置の使用を推奨します。
ダイオードの取り付け方向に注意してください。 ダイオードは扉ロック装置の近くに取り付けてください。
自動ドア接続

スタンドアロン接続
別途I/Oデバイスを接続せずに、製品を直接ドアロック、退出ボタン、ドアセンサーなどに接続します。

Suprema のインテリジェントデバイスには、利便性向上のためにコントローラーを介さずスタンドアロンで接続し、扉を直接開閉できるリレーが内蔵されています。 しかし、より高いセキュリティが求められる入退室管理アプリケーションでは、扉のロック解除を引き起こす可能性のある改ざん攻撃を防ぐため、デバイス内蔵のリレーを使用しないことを推奨します。 このようなアプリケーションでは、ロック制御用に扉内部の安全な位置に設置した Suprema Secure I/O 2、DM-20、CoreStation などの別体リレー装置の使用を推奨します。
- RS-485 ケーブルでスレーブ装置を接続し、本製品をマルチドアコントローラーとして使用できます。 スレーブ装置はダミーリーダーとして使用され、認証はマスター装置で行います。
-
指紋認識装置がFaceStation 2のスレーブ装置として構成されている場合、別のFaceStation 2をスレーブ装置として追加することはできません。
-
指紋認識装置がマスター装置の場合、FaceStation 2をスレーブ装置として追加することはできません。
-
FaceStation 2がマスター装置であり、FaceStation 2をスレーブ装置として接続する場合、スレーブ装置として追加できるFaceStation 2は1台のみです。
-
FaceStation 2がマスター装置であり、FaceStation 2をスレーブ装置として接続する場合、Secure I/O 2とDM-20をそれぞれ1台ずつ追加接続できます。
-
FaceStation 2がマスター装置であり、FaceStation 2をスレーブ装置として接続する場合、OM-120を追加接続することはできません。
-
接続可能なスレーブ装置の最大数は認証方法、ユーザー数、装置数によって変わり、スレーブ装置の数は認証速度に影響します。
-
1台のマスター装置につき、スレーブ装置は最大31台まで接続できます。 RS-485の帯域幅の制限により、指紋認識装置は最大7台まで接続できます。
- 詳細は Suprema テクニカルサポートまでお問い合わせください。
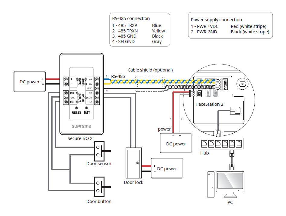
Secure I/O 2 の接続
製品に I/O デバイスである Secure I/O 2 を RS-485 で接続できます。 製品と Secure I/O 2 の接続が切れたり、外部要因により製品の電源が遮断された場合でも、セキュリティを維持できます。
-
RS-485 ケーブルには AWG24 のツイストペアケーブルを使用し、最大長は 1.2 km としてください。
-
RS-485 ケーブルには特性インピーダンス 120 Ω のケーブルを使用することを推奨します。
-
RS-485 をデイジーチェーン接続する場合は、デイジーチェーンの両端に終端抵抗(120 Ω)を取り付けてください。 中間ラインに接続すると信号レベルが低下して通信性能が落ちるため、必ずデイジーチェーンの両端に接続してください。

- RS-485 ケーブルでスレーブ装置を接続し、本製品をマルチドアコントローラーとして使用できます。 スレーブ装置はダミーリーダーとして使用され、認証はマスター装置で行います。
-
指紋認識装置がFaceStation 2のスレーブ装置として構成されている場合、別のFaceStation 2をスレーブ装置として追加することはできません。
-
指紋認識装置がマスター装置の場合、FaceStation 2をスレーブ装置として追加することはできません。
-
FaceStation 2がマスター装置であり、FaceStation 2をスレーブ装置として接続する場合、スレーブ装置として追加できるFaceStation 2は1台のみです。
-
FaceStation 2がマスター装置であり、FaceStation 2をスレーブ装置として接続する場合、Secure I/O 2とDM-20をそれぞれ1台ずつ追加接続できます。
-
FaceStation 2がマスター装置であり、FaceStation 2をスレーブ装置として接続する場合、OM-120を追加接続することはできません。
-
接続可能なスレーブ装置の最大数は認証方法、ユーザー数、装置数によって変わり、スレーブ装置の数は認証速度に影響します。
-
1台のマスター装置につき、スレーブ装置は最大31台まで接続できます。 RS-485の帯域幅の制限により、指紋認識装置は最大7台まで接続できます。
- 詳細は Suprema テクニカルサポートまでお問い合わせください。
Wiegand接続
Wiegand入力装置として使用

Wiegand出力装置として使用
