インストール
インストールに必要な全手順と接続例を提供します。
製品の固定
-
製品を取り付ける位置にスペーサーを固定用ネジで固定します。
-
固定したスペーサーの上に製品を置き、固定用ネジでしっかり固定します。
電源接続

- 出入管理装置と製品に接続する電源は必ず分けて使用してください。
-
電源アダプターはIEC/EN 62368-1の認証を受け、端末の消費電力を上回る容量のものを使用してください。 電源アダプターに他の機器も接続する場合は、端末の消費電力と他機器の消費電力を合算した電流容量以上のアダプターを使用する必要があります。
- 最大消費電流の規格は製品仕様の電源を参照してください。
- 電源アダプターを使用する場合、電源ケーブルの長さを任意に延長しないでください。
電源障害を防ぐため、無停電電源装置(UPS)を接続して使用することを推奨します。
RS-485 接続
製品をマスター装置に接続できます。

-
RS-485 ケーブルは AWG26 以上を使用し、すべての配線は ANSI/NFPA 70 規格に準拠する必要があります。
-
RS-485 ケーブルには AWG24 のツイストペアケーブルを使用し、最大長は 1.2 km としてください。
-
RS-485 ケーブルには特性インピーダンス 120 Ω のケーブルを使用することを推奨します。
-
RS-485デイジーチェーン接続の両端に終端抵抗(120 Ω)を接続します。 中間ラインに接続すると信号レベルが低下して通信性能が落ちるため、必ずデイジーチェーンの両端に接続してください。 本製品の終端抵抗スイッチをONに設定します。
リレー接続
本製品のリレーで出入口のロック装置または警報装置を制御できます。 接続する装置のガイドを参照し、リレーを NC または NO に接続してください。

Fail Safe Lock
Fail Safe Lock を使用する場合は、下図のように NC リレーを接続してください。 Fail Safe Lock は通常、リレー回路に電流が流れており、リレーが動作して電流を一時的に遮断すると出入口が開きます。 停電や外部要因で装置の電源が切れた場合、出入口が開きます。
デッドボルトまたはドアストライクを設置する際は、下図のようにダイオードを電源入力の両端に接続してください。 ダイオードの向きに注意し、必ずカソード(ストライプ側)を電源の+側に接続してください。
マスター装置のリレーポートに接続されている装置には、本製品のリレーを重複して接続しないでください。

Fail Secure Lock
Fail Secure Lock を使用する場合は、下図のように NO リレーを接続してください。 Fail Secure Lock は通常、リレー回路に電流が流れず、リレーが動作して電流が流れると出入口が開きます。 停電や外部要因で装置の電源が切れた場合、出入口が施錠されます。
デッドボルトまたはドアストライクを設置する際は、下図のようにダイオードを電源入力の両端に接続してください。 ダイオードの向きに注意し、必ずカソード(ストライプ側)を電源の+側に接続してください。
マスター装置のリレーポートに接続されている装置には、本製品のリレーを重複して接続しないでください。

監視入力の接続
火災検知センサー、温度検知センサー、防犯センサー、ドアセンサー、退室ボタンなどを接続できます。 SUPERVISED INPUT 0〜11 端子は回路の電圧を検知して装置の断線、短絡、オン、オフ状態を監視でき、一般的な入力として使用することもできます。
BioStar X で製品の状態別動作を設定し、入力状態を監視できます。

-
マスター装置の入力ポートに接続されている機器に、本製品の入力を重複して接続しないでください。
-
本製品は 1㏀、2.2㏀、4.7㏀、10㏀ の抵抗を接続して使用できます。 接続する入力機器に適切な抵抗を取り付けた後、BioStar X で抵抗値を同じ値に設定してください。
タンパーの接続
外部要因により製品が設置場所から外れた場合、警報を鳴らす、またはイベントログを残すことができます。

エンクロージャの設置
物理的および電気的保護のため、本製品をエンクロージャ(ENCR-10)内に設置できます。 エンクロージャには、電源状態LEDボード、電源分配ボード、電源供給装置、タンパースイッチが含まれています。 エンクロージャは別売りです。
バックアップバッテリーを固定する
バッテリーのベルクロストラップを筐体に差し込み、バッテリーを固定します。

バックアップバッテリーは 12 VDC 仕様で 7 Ah 以上のものを使用してください。 本製品は ROCKET 社の 「ES7-12」でテストされており、ES7-12 と同等の製品の使用を推奨します。
-
バックアップバッテリーは別売りです。
-
バックアップバッテリーのサイズと端子の形状およびサイズを必ず確認します。 バックアップバッテリーのサイズが推奨仕様より大きい場合、筐体に取り付けられない、または取り付け後に筐体を閉じられないことがあります。 また、端子の形状やサイズが異なる場合は、付属のケーブルでバッテリーを接続できません。
製品の固定
-
エンクロージャ内で製品を取り付ける位置を確認してください。 1 つのエンクロージャに 2 台の製品を設置できます。

-
取り付け位置に合わせて製品をエンクロージャに載せ、固定用ネジで固定してください。

- ENCR-10 は壁面に固定して使用できるよう設計されています。 設置高さに制限はありません。安全で使いやすい位置に設置してください。
-
ENCR-10 には、筐体固定用ねじ、製品固定用ねじ、電源装置接続用ねじが含まれています。 各ねじを用途に応じて正しく使用してください。
-
筐体固定用ねじ(直径:4 mm、長さ:25 mm)×4
-
製品固定用ねじ(直径:3 mm、長さ:5 mm)×6
-
電源装置ケーブル固定用ねじ(直径:3 mm、長さ:8 mm)×1
-
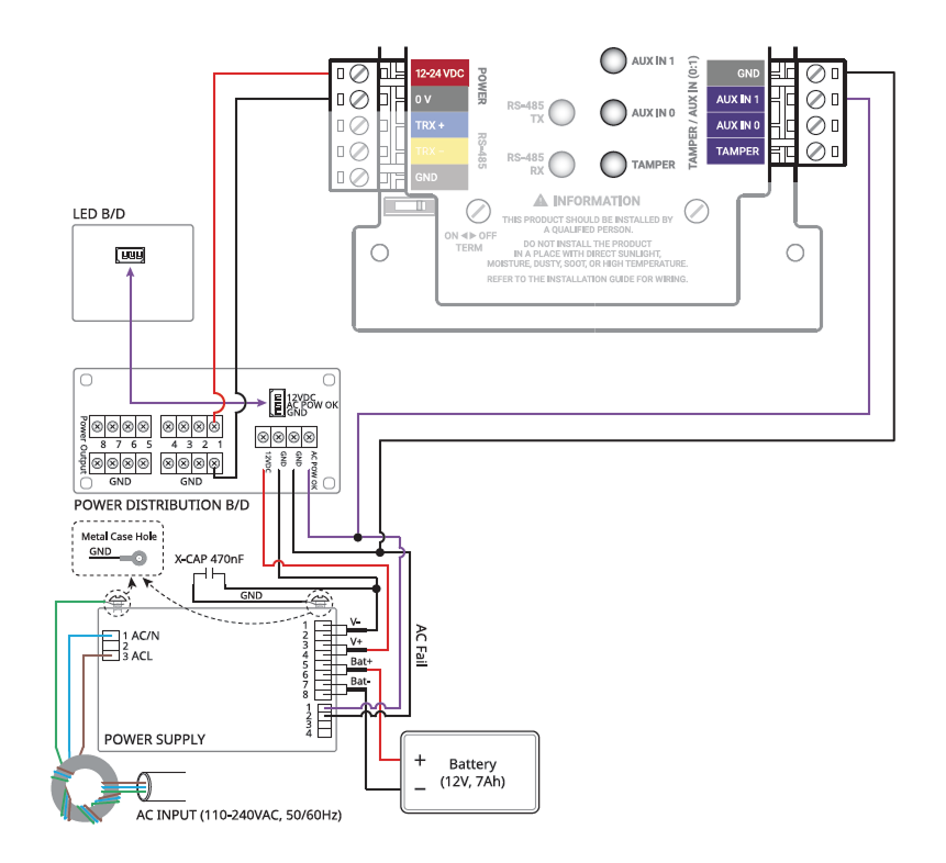
電源および AUX 入力の接続
電源障害を防ぐために、無停電電源装置(UPS)を接続して使用できます。また、停電検出器や他の機器の接点出力を AUX IN 端子に接続できます。

-
出入管理装置と製品に接続する電源は必ず分けて使用してください。
-
電源アダプターはIEC/EN 62368-1の認証を受け、端末の消費電力を上回る容量のものを使用してください。 電源アダプターに他の機器も接続する場合は、端末の消費電力と他機器の消費電力を合算した電流容量以上のアダプターを使用する必要があります。
- 最大消費電流の規格については、製品仕様の[電源](../device/inputmodule/product-specifications.mdx#specs.power) を参照してください。
-
電源アダプターを使用する場合、電源ケーブルの長さを任意に延長しないでください。
-
バックアップバッテリーは 12 VDC 仕様で 7 Ah 以上のものを使用してください。 本製品は ROCKET 社の 「ES7-12」でテストされており、ES7-12 と同等の製品の使用を推奨します。
タンパーの接続
外部要因によってエンクロージャが開いた場合、警報を鳴らしたりイベントログを残したりできます。

製品の設置に関する詳細は、Supremaテクニカルサポート(CS@suprema.co.kr)までお問い合わせください。