インストール
インストールに必要な全手順と接続例を提供します。
製品の固定
-
製品を取り付ける位置にスペーサーを固定用ネジで固定します。
-
固定したスペーサーの上に製品を置き、固定用ネジでしっかり固定します。
電源接続

- 出入管理装置と製品に接続する電源は必ず分けて使用してください。
-
電源アダプターはIEC/EN 62368-1の認証を受け、端末の消費電力を上回る容量のものを使用してください。 電源アダプターに他の機器も接続する場合は、端末の消費電力と他機器の消費電力を合算した電流容量以上のアダプターを使用する必要があります。
- 最大消費電流の規格は製品仕様の電源を参照してください。
- 電源アダプターを使用する場合、電源ケーブルの長さを任意に延長しないでください。
電源障害を防ぐため、無停電電源装置(UPS)を接続して使用することを推奨します。
RS-485 接続

-
RS-485 ケーブルには AWG24 のツイストペアケーブルを使用し、最大長は 1.2 km としてください。
-
RS-485 ケーブルには特性インピーダンス 120 Ω のケーブルを使用することを推奨します。
-
RS-485デイジーチェーン接続の両端に終端抵抗(120 Ω)を接続します。 中間ラインに接続すると信号レベルが低下して通信性能が落ちるため、必ずデイジーチェーンの両端に接続してください。 本製品の終端抵抗スイッチをONに設定します。
-
本製品は、1台のマスター装置に最大31台まで接続できます。
リレー接続

-
リレーの接続方法はエレベーターの種類によって異なる場合があります。 詳細はエレベーター施工会社にお問い合わせください。
-
各リレー出力は制御パネルと階ボタンに正しく接続する必要があります。
AUX入力の接続
他機器の接点出力(ドライ・コンタクト出力)またはタンパーをAUX端子に接続できます。

エンクロージャの設置
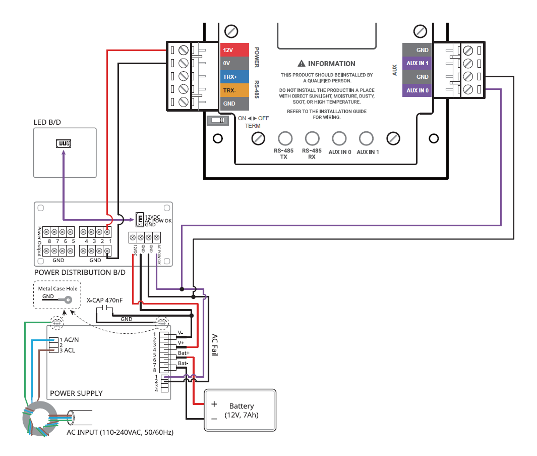
物理的および電気的保護のため、本製品をエンクロージャ(ENCR-10)内に設置できます。 エンクロージャには、電源状態LEDボード、電源分配ボード、電源供給装置、タンパースイッチが含まれています。 エンクロージャは別売りです。
バックアップバッテリーを固定する
バッテリーのベルクロストラップを筐体に差し込み、バッテリーを固定します。

バックアップバッテリーは 12 VDC 仕様で 7 Ah 以上のものを使用してください。 本製品は ROCKET 社の 「ES7-12」でテストされており、ES7-12 と同等の製品の使用を推奨します。
-
バックアップバッテリーは別売りです。
-
バックアップバッテリーのサイズと端子の形状およびサイズを必ず確認します。 バックアップバッテリーのサイズが推奨仕様より大きい場合、筐体に取り付けられない、または取り付け後に筐体を閉じられないことがあります。 また、端子の形状やサイズが異なる場合は、付属のケーブルでバッテリーを接続できません。
製品の固定
-
エンクロージャ内で製品を取り付ける位置を確認してください。 1 つのエンクロージャに 2 台の製品を設置できます。

-
取り付け位置に合わせて製品をエンクロージャに載せ、固定用ネジで固定してください。

- ENCR-10 は壁面に固定して使用できるよう設計されています。 設置高さに制限はありません。安全で使いやすい位置に設置してください。
-
ENCR-10 には、筐体固定用ねじ、製品固定用ねじ、電源装置接続用ねじが含まれています。 各ねじを用途に応じて正しく使用してください。
-
筐体固定用ねじ(直径:4 mm、長さ:25 mm)×4
-
製品固定用ねじ(直径:3 mm、長さ:5 mm)×6
-
電源装置ケーブル固定用ねじ(直径:3 mm、長さ:8 mm)×1
-
電源および AUX 入力の接続
電源障害を防ぐために、無停電電源装置(UPS)を接続して使用できます。また、停電検出器や他の機器の接点出力を AUX IN 端子に接続できます。

-
出入管理装置と製品に接続する電源は必ず分けて使用してください。
-
電源アダプターはIEC/EN 62368-1の認証を受け、端末の消費電力を上回る容量のものを使用してください。 電源アダプターに他の機器も接続する場合は、端末の消費電力と他機器の消費電力を合算した電流容量以上のアダプターを使用する必要があります。
- 最大消費電流の規格については、製品仕様の 電源 を参照。
-
電源アダプターを使用する場合、電源ケーブルの長さを任意に延長しないでください。
-
バックアップバッテリーは 12 VDC 仕様で 7 Ah 以上のものを使用してください。 本製品は ROCKET 社の 「ES7-12」でテストされており、ES7-12 と同等の製品の使用を推奨します。
タンパーの接続
外部要因によってエンクロージャが開いた場合、警報を鳴らしたりイベントログを残したりできます。

製品の設置に関する詳細は、Supremaテクニカルサポート(CS@suprema.co.kr)までお問い合わせください。